ich wollte euch kurz ein kleines Projekt vorstellen, welches ich rechtzeitig vor der HBCon fertig gestellt habe. Ich wollte die ganze Zeit schon mal Dosen befüllen, allerdings waren mir die Verschliesser schlichtweg zu teuer. Nach etwas googlen bin ich dann auf folgenden Beitrag gestoßen und habe mich entschieden, sowas in diese Richtung auch zu machen.
https://www.homebrewtalk.com/threads/ca ... iy.699453/
Bin dann aber auf eine Lösung mit einer Tischbohrmaschine gekommen, die schon länger in meinem Schuppen stand und keine Verwendung hatte...
Hier das Video vom Verschließen:
https://youtube.com/shorts/XuIeVN45s9k?feature=share
Auf dieser Basis habe ich dann folgendes bestellt:
Verschlussrolle 1:
https://es.aliexpress.com/item/40011195 ... pt=glo2esp
Verschlussrolle 2:
https://es.aliexpress.com/item/40011197 ... pt=glo2esp
Chuck für Dosen CDL (Europa-Ausführung):
https://brouwland.com/de/dosenabfullung ... nular.html
Dieser wird mit einem gedruckten Adapter anstelle des Borfutters befestigt. Die Datei (Huelse…) dazu findest du im Anhang.
Kugellager für Verschlussapparatur:
https://www.amazon.de/dp/B097R91GZZ?ref ... asin_title
Kugellager für Drehteller:
https://www.amazon.de/dp/B08ZC53M5M?ref ... title&th=1
Ich hatte noch eine alte Bohrmaschine von Scheppach, die habe ich dann entsprechend umgerüstet:
https://shop.scheppach.com/Tischbohrmas ... n4QAvD_BwE
Die von Parkside ist wahrscheinlich baugleich und günstiger…
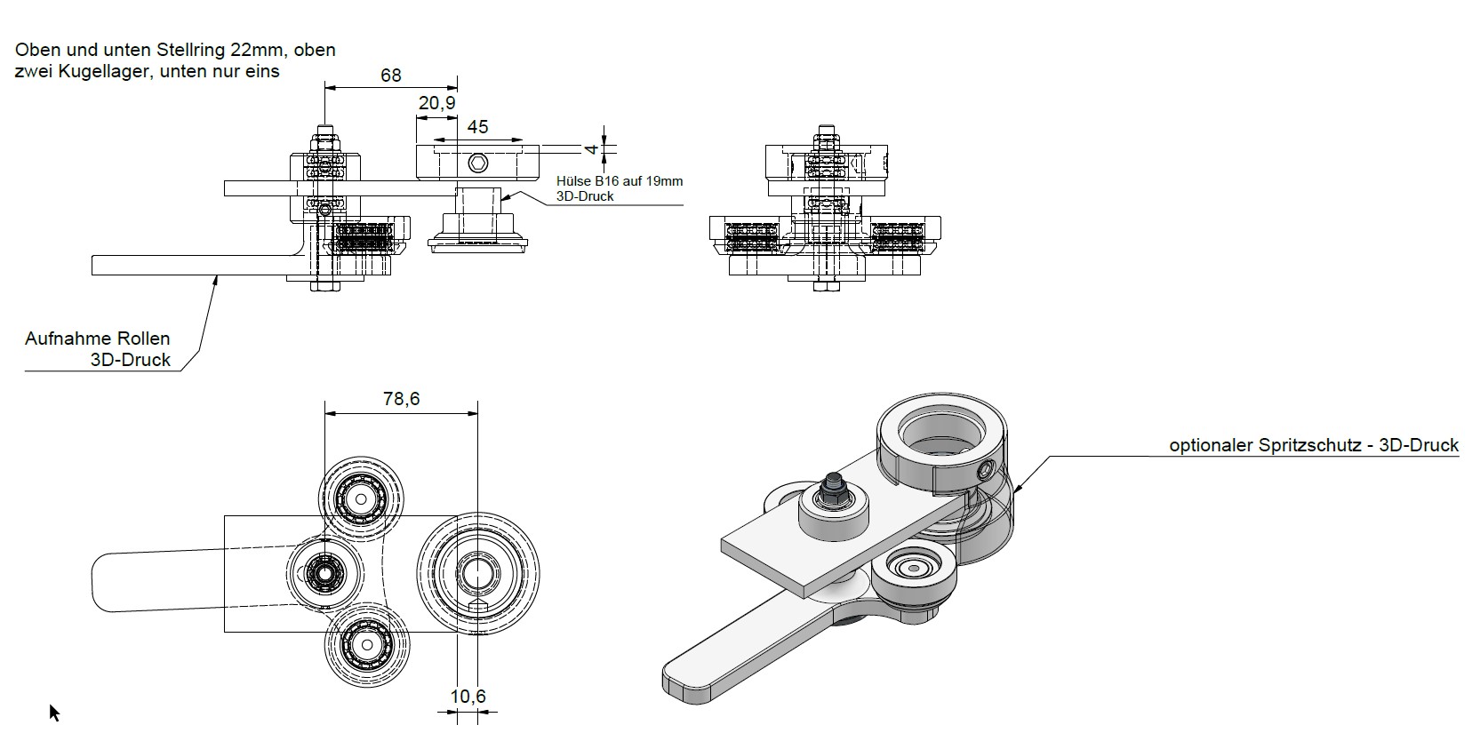
Zum Haltern der Verschlussarmatur dann noch zwei Stellringe mit 22mm Innendurchmesser und einen mit 40mm Innendurchmesser und ein Flacheisen 60 x 8 mm in VA:
https://www.hoerr-edelstahl.de/Befestig ... -4027.html
https://www.hoerr-edelstahl.de/Edelstah ... 00-cm.html
Der Stellring mit 40 mm wurde auf einer Seite 4mm ausgedreht auf 45mm, damit dieser mit der Madenschraube an der Bohrmaschine befestigt werden kann. Außerdem habe ich noch eine Welle 12 mm auf das Flacheisen angeschweißt. Dies dient als Führung. Die beiden Stellringe 22mm dienen als Lagerbock für die Kugellager 22x8x7mm. Oben sind zwei untergebracht, unten im Stellring sitzt nur eines. Schrauben sind M8 x 80 und das andere sind M5 x irgendwas…
Seht hierzu die folgenden Bilder: Der Drehteller unten ist ein Drehteil aus POM (Außendurchmesser glaub ich 80mm, innen ausgedreht auf 67mm, Aufnahme unten 20mm entsprechend dem Kugellager, Gesamtlänge um die 40mm), könnte man wahrscheinlich auch drucken. Die Lageraufnahme ist ein 3D-Druckteil. Die STL-Dateien findet du im Anhang.
Schaut dann so aus:
Lagerung unten (Druckteil + Kugellager 20mm+Schraube M6): Drehteil: 3D mit Maßen: Zwischen der Verschlussapparatur und dem Kugellager unten ist noch eine Unterlegscheibe 8mm x 15…16mm angebracht. Man könnte in das Flacheisen auch ein 40mm Loch bohren und dieses dann auch noch weiter hinten am Stellring mit verschweißen. Hatte aber keinen passenden Bohrer da und auch keine Lust
Hier noch die STL-Dateien.
Bei Fragen bitte melden.
Schöne Grüße aus Kulmbach
Daniel

