Neubau einer 50l Anlage
Neubau einer 50l Anlage
Moin,
habe vor mir eine neue Anlage zu bauen und zu konstruieren.
Ausgelegt auf 50l Ausschlag. Alle Töpfe , Anschlüsse etc. werden in Edelstahl ausgeführt.
Armaflex 13mm als Isolierung um jeden Topf. Geheizt wird per Hendi Induktion.
Da ich basteln und automatisieren liebe, soll das meiste in teil Automatik laufen.
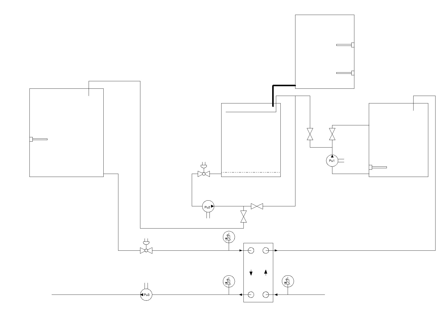
Maischebottich bekommt ein Rührwerk, 2 PT100 in Tauchhülse. Der Ablauf in den Läuterbottich wird mit einem 1“ Kugelhahn realisiert.
Läuterbottich wird mit einem Läuterboden ausgestattet. Ablauf hier ½“ welchen anfangs per Kugelhahn geregelt wird, später soll das ganze aber per Pumpe und Regelvetil geschehen.
Über ein Schauglas kann dann die Würze beurteilt werden und dann über Umschalten von Ventilen das ganze entweder zurück führen oder zum kochen gehen. Nachgusswasser soll auch per Pumpe aus einem separaten Topf gepumpt werden. Das ganze wird über ein gelochten Ring aus Edelstahlrohr wieder in den Läuterbottich gelangen.
Nach dem Kochen wird das ganze durch einen Plattenwärmetauscher geführt. Das erhitzte Kühlwasser wird später zur Reinigung genutzt und aufgefangen.
Anbei mal eine grobe Skizze wie es werden könnte.
Jetzt bin ich mal auf eure Anregungen, Kritik und Verbesserungen gespannt.
Gruß Thomas
habe vor mir eine neue Anlage zu bauen und zu konstruieren.
Ausgelegt auf 50l Ausschlag. Alle Töpfe , Anschlüsse etc. werden in Edelstahl ausgeführt.
Armaflex 13mm als Isolierung um jeden Topf. Geheizt wird per Hendi Induktion.
Da ich basteln und automatisieren liebe, soll das meiste in teil Automatik laufen.
Maischebottich bekommt ein Rührwerk, 2 PT100 in Tauchhülse. Der Ablauf in den Läuterbottich wird mit einem 1“ Kugelhahn realisiert.
Läuterbottich wird mit einem Läuterboden ausgestattet. Ablauf hier ½“ welchen anfangs per Kugelhahn geregelt wird, später soll das ganze aber per Pumpe und Regelvetil geschehen.
Über ein Schauglas kann dann die Würze beurteilt werden und dann über Umschalten von Ventilen das ganze entweder zurück führen oder zum kochen gehen. Nachgusswasser soll auch per Pumpe aus einem separaten Topf gepumpt werden. Das ganze wird über ein gelochten Ring aus Edelstahlrohr wieder in den Läuterbottich gelangen.
Nach dem Kochen wird das ganze durch einen Plattenwärmetauscher geführt. Das erhitzte Kühlwasser wird später zur Reinigung genutzt und aufgefangen.
Anbei mal eine grobe Skizze wie es werden könnte.
Jetzt bin ich mal auf eure Anregungen, Kritik und Verbesserungen gespannt.
Gruß Thomas
-
mavro
Re: Neubau einer 50l Anlage
mein Tipp: kaufe Dir keine Hendi sondern lieber eine Yato
ich habe beide im Vergleich: Yato ist eindeutig besser/leistungsfähiger
schau mal
https://hobbybrauer.de/forum/viewtopic. ... to#p312873
ich habe beide im Vergleich: Yato ist eindeutig besser/leistungsfähiger
schau mal
https://hobbybrauer.de/forum/viewtopic. ... to#p312873
- glassart
- Posting Freak

- Beiträge: 1703
- Registriert: Mittwoch 1. Juli 2015, 11:50
- Wohnort: Gunskirchen OÖ
Re: Neubau einer 50l Anlage
Kann ich nur bestätigenmavro hat geschrieben: Sonntag 23. Juni 2019, 16:07 mein Tipp: kaufe Dir keine Hendi sondern lieber eine Yato
ich habe beide im Vergleich: Yato ist eindeutig besser/leistungsfähiger
schau mal
https://hobbybrauer.de/forum/viewtopic. ... to#p312873
lg Herbert
Re: Neubau einer 50l Anlage
Ok dann ein Yato.
@Stefan. Kein PTW ok aber warum? was als alternative?
Gruß Thomas
@Stefan. Kein PTW ok aber warum? was als alternative?
Gruß Thomas
- Biermensch
- Posting Freak

- Beiträge: 899
- Registriert: Donnerstag 24. Juni 2010, 12:05
- Wohnort: Hemau
- Kontaktdaten:
Re: Neubau einer 50l Anlage
Einige Hobbybrauer hatten bei PWTs probleme mit Drecknester und gekippten Suden....
- Sebasstian
- Posting Freak

- Beiträge: 1667
- Registriert: Freitag 26. August 2016, 11:54
- Wohnort: Jena-Ziegenhain
Re: Neubau einer 50l Anlage
Hi,
ohne jetzt konkrete, schlechte Erfahrungen gemacht zu haben mit nur 1" Durchlass zum Abmaischen, halte ich 1,5" für die bessere Variante.
ohne jetzt konkrete, schlechte Erfahrungen gemacht zu haben mit nur 1" Durchlass zum Abmaischen, halte ich 1,5" für die bessere Variante.
Grüße,
Sebastian
Sebastian
- afri
- Posting Freak

- Beiträge: 6129
- Registriert: Donnerstag 17. Januar 2013, 21:19
- Wohnort: 31840 Hessisch Oldendorf
Re: Neubau einer 50l Anlage
Kühlspirale, die vernünftig gereinigt werden kann. Das Warum hat Biermensch dargelegt und die Erfahrung habe auch ich gemacht. PWT sind schwer bis kaum richtig sauber zu bekommen und das ist besonders bei Menschen mit gebackenen Flaschen wichtig.
Achim
Bier ist ein Stück Lebenskraft!
Re: Neubau einer 50l Anlage
Moin.Tomtomdo hat geschrieben: Sonntag 23. Juni 2019, 17:24 Ok dann ein Yato.
@Stefan. Kein PTW ok aber warum? was als alternative?
Gruß Thomas
Zu den Heizplatten kann ich nicht viel sagen, meine ist eine aus der Metro und tut das was sie soll. Meiner Meinung nach.
Gegen einen PWT spricht auch nichts, man muss sie halt nur sorgfältig reinigen. Sie sind auf jeden Fall effektiver als Spiralen.
Ich hab an meinem Maischebottich auch einen zölligen Auslauf der ist bis jetzt noch nie verstopft aber größer ist in diesem Fall nicht von Nachteil.
Gruß Niko 
Re: Neubau einer 50l Anlage
Hi,
Ja da werde ich mal in mich gehen.
Hatte mir nen PWT raus gesucht, welchen man auch auseinander bauen und die Platten reinigen kann.
Teurer aber ich denke das lohnt sich.
@Niko Hast du auch mit Regelventilen gearbeitet oder von hand? Welche Pumpe nimmst du zum Läutern?
Da stehe ich noch etwas auf dem Schlauch
Gruß Thomas
Ja da werde ich mal in mich gehen.
Hatte mir nen PWT raus gesucht, welchen man auch auseinander bauen und die Platten reinigen kann.
Teurer aber ich denke das lohnt sich.
@Niko Hast du auch mit Regelventilen gearbeitet oder von hand? Welche Pumpe nimmst du zum Läutern?
Da stehe ich noch etwas auf dem Schlauch
Gruß Thomas
Re: Neubau einer 50l Anlage
Ein zerlegbarer PWT ist eine gute Wahl.Tomtomdo hat geschrieben: Sonntag 23. Juni 2019, 23:16 Hi,
Ja da werde ich mal in mich gehen.
Hatte mir nen PWT raus gesucht, welchen man auch auseinander bauen und die Platten reinigen kann.
Teurer aber ich denke das lohnt sich.
@Niko Hast du auch mit Regelventilen gearbeitet oder von hand? Welche Pumpe nimmst du zum Läutern?
Da stehe ich noch etwas auf dem Schlauch
Gruß Thomas
Ich habe die Technik so gering wie möglich gehalten, nur die Temperatur beim Maische wird bei mir geregelt.
Stimmt nicht ganz meine Läuterpumpe ist auch regelbar, ist eine sogenannte Chinapumpe.
Wenn dein Läuterbottich über der Würzepfanne nicht steht brauchst du keine Pumpe.
Zuletzt geändert von NiWo am Montag 24. Juni 2019, 16:13, insgesamt 1-mal geändert.
Gruß Niko 
Re: Neubau einer 50l Anlage
Mit der Pumpe läutern klappt gut?
Ja an die chinapumpe hab ich auch gedacht.
Ne nur die Maische steht höher. Sonst wollte ich alles auf einer Höhe machen.
Gruß Thomas
Ja an die chinapumpe hab ich auch gedacht.
Ne nur die Maische steht höher. Sonst wollte ich alles auf einer Höhe machen.
Gruß Thomas
Re: Neubau einer 50l Anlage
Jo.
Ich regele den Durchfluss mit einem FU per Hand., den Zulauf über einen Kugelhahn in den Läutergrant.
https://hobbybrauer.de/forum/download/f ... w&id=51331
Gruß Niko 
-
stefan78h
- Posting Freak

- Beiträge: 998
- Registriert: Sonntag 27. November 2016, 21:09
- Wohnort: LK Heilbronn
Re: Neubau einer 50l Anlage
Tomtomdo hat geschrieben: Sonntag 23. Juni 2019, 23:16
Hatte mir nen PWT raus gesucht, welchen man auch auseinander bauen und die Platten reinigen kann.
Teurer aber ich denke das lohnt sich.
Reinigungsaufwand ist das eine beim PWT.
Das andere ist das du den Heiß und Kühltrub im Gäreimer hast. Aber darüber streiten sich inzwischen auch einige....
Subjektiv gefühlt würde ich dir keinen PWt empfehlen. Gegen einen Eintauchkühler aus VA spricht nur die Kühldauer.... mit Eiswasser kann man das aber auch verkürzen.
Gruß
stefan
stefan
Re: Neubau einer 50l Anlage
Ok dann werd ich mir auch mal was in die Richtung überlegen. Fu geht auch.
War nur mit den regelventilen, da ich noch 2 Analoge Ausgänge frei hab und diese auch nutzen mag.
Mit Kühlung werd ich mich auch noch mal mehr befassen.
War nur mit den regelventilen, da ich noch 2 Analoge Ausgänge frei hab und diese auch nutzen mag.
Mit Kühlung werd ich mich auch noch mal mehr befassen.
- Earl
- Posting Freak

- Beiträge: 890
- Registriert: Dienstag 14. Juni 2005, 12:27
- Wohnort: Ladenburg
- Kontaktdaten:
Re: Neubau einer 50l Anlage
Meine Anmerkung zum PWT:
Nach dem Würzekühlen den PWT mit heißem Wasser gut spülen, danach leer laufen lassen. 1 Flasche Brennspiritus rein füllen und die Kappen auflegen. Der PWT kann so locker einige Monate lagern. Unmittelbar vor dem nächsten Einsatz den Brennspiritus auslaufen lassen (kann übrigens mehrmals verwendet werden), PWT anschließend gut mit heißem Wasser spülen.
So praktiziere ich das schon seit vielen Jahren, ohne dass mir wegen dem PWT ein Sud gekippt ist.
Nach dem Würzekühlen den PWT mit heißem Wasser gut spülen, danach leer laufen lassen. 1 Flasche Brennspiritus rein füllen und die Kappen auflegen. Der PWT kann so locker einige Monate lagern. Unmittelbar vor dem nächsten Einsatz den Brennspiritus auslaufen lassen (kann übrigens mehrmals verwendet werden), PWT anschließend gut mit heißem Wasser spülen.
So praktiziere ich das schon seit vielen Jahren, ohne dass mir wegen dem PWT ein Sud gekippt ist.
- Beerkenauer
- Posting Freak

- Beiträge: 1612
- Registriert: Samstag 11. Februar 2017, 15:45
- Wohnort: Südl Odenwald - Rhein-Neckar
Re: Neubau einer 50l Anlage
Ich habe meinen Plattenwärmetauscher mit billigem Korn eingelagert.Earl hat geschrieben: Donnerstag 11. Juli 2019, 10:52 Meine Anmerkung zum PWT:
Nach dem Würzekühlen den PWT mit heißem Wasser gut spülen, danach leer laufen lassen. 1 Flasche Brennspiritus rein füllen und die Kappen auflegen. Der PWT kann so locker einige Monate lagern. Unmittelbar vor dem nächsten Einsatz den Brennspiritus auslaufen lassen (kann übrigens mehrmals verwendet werden), PWT anschließend gut mit heißem Wasser spülen.
So praktiziere ich das schon seit vielen Jahren, ohne dass mir wegen dem PWT ein Sud gekippt ist.
Traue mich aber nicht mehr ihn zu benutzen nachdem ich beim Säubern
große schwarze Klumpen da raus geholt habe (dachte eigentlich, dass ich den
immer gut gereinigt habe).
Stefan
Mein Motto: Add more hops!
30L-Klasse; 50l Topf, 3.5k Induktion, Thermoport mit Läuterhexe, 2x Edelstahl Gärfaß, 2x Kühlschrank mit Inkbird, NC-Kegs und GDA für Flaschen.
30L-Klasse; 50l Topf, 3.5k Induktion, Thermoport mit Läuterhexe, 2x Edelstahl Gärfaß, 2x Kühlschrank mit Inkbird, NC-Kegs und GDA für Flaschen.
- Ruthard
- Posting Freak

- Beiträge: 7629
- Registriert: Sonntag 26. Februar 2012, 21:07
- Wohnort: 1443 Wine Country Drive 2335 Rothbury Australia
- Kontaktdaten:
Re: Neubau einer 50l Anlage
Wer billig kauft, kauft zweimalIch habe meinen Plattenwärmetauscher mit billigem Korn eingelagert.
Fülle ihn mal mit 10%iger Natronlauge und lass die ein paar Tage drin. Ideal, wenn die auch noch schön warm ist, so um die 60°C - dann bleilbt da nix über.
Aber Vorsicht - heiße Natronlauge ist kein Kinderspielzeug!
Cheers, Ruthard
Wir könnten viel, wenn wir zusammenstünden (F.Schiller in Wilhelm Tell)
Re: Neubau einer 50l Anlage
Dem Verfahren mit Natronlauge schließe ich mich an. Funktioniert einwandfrei.Brauwolf hat geschrieben: Donnerstag 11. Juli 2019, 13:16Wer billig kauft, kauft zweimalIch habe meinen Plattenwärmetauscher mit billigem Korn eingelagert.![]()
Fülle ihn mal mit 10%iger Natronlauge und lass die ein paar Tage drin. Ideal, wenn die auch noch schön warm ist, so um die 60°C - dann bleilbt da nix über.
Aber Vorsicht - heiße Natronlauge ist kein Kinderspielzeug!
Cheers, Ruthard
Zuletzt geändert von thosch am Freitag 12. Juli 2019, 06:32, insgesamt 1-mal geändert.
- afri
- Posting Freak

- Beiträge: 6129
- Registriert: Donnerstag 17. Januar 2013, 21:19
- Wohnort: 31840 Hessisch Oldendorf
Re: Neubau einer 50l Anlage
Einfaches Geschirrspülerpulver oder Oxy haben mir mal eine ziemlich üble Brühe beschert, die beim Reinigen aus dem Dingen kam. War mir dann nicht mehr so geheuer und ich habe mir stattdessen eine Spirale besorgt. Ist auch einfacher im Häändling, wie ich finde, aber ein PWT ist schon um einiges besser als über Nacht abkühlen zu lassen, auch wenn der Reinigungsaufwand hoch ist.
Achim
Achim
Bier ist ein Stück Lebenskraft!


