Seite 2 von 2
Re: Baudoku 200 Liter Milchtankanlage
Verfasst: Dienstag 10. Oktober 2017, 20:14
von Lumbanraja
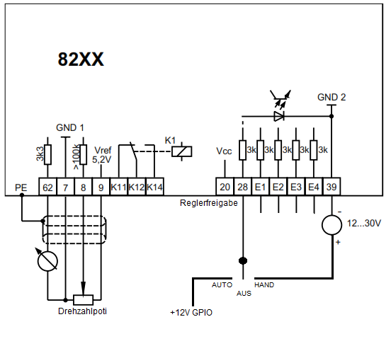
Eine Frage hätte ich dann doch noch. Momentan steuere ich die FUs über die Reglerfreigabe, permanent (HAND) oder den 12V GPIO-Ausgang des CBP-Boards (AUTO). Das Funktioniert soweit auch, aber: Speziel das Rührwerk möchte ich mit An- und Auslaufcharakteristik steuern. Mit dieser Methode geht das aber nur beim Anlauf. Beim Abschalten stopt der Regler abrupt. Bei der Masse rotierender Maische hätte ich gerne ein ebenso langsames Auslaufen, um die Kräfte auf das Paddel zu reduzieren.

- So ist es momentan...
- FU-Variante1.png (27.93 KiB) 10038 mal betrachtet
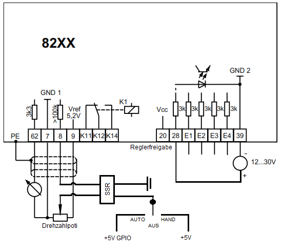
Wenn ich nun über die 8 Schalte (Im Handbuch des FUs steht darüber nichts) und die Reglerfreigabe fest AN schalte, funktioniert das:

- Angedachte Schaltung...
- FU-Variante2.png (31.29 KiB) 10038 mal betrachtet
Nun die eigentliche Frage: Schadet das dem FU, permanent auf Freigabe geschaltet zu sein? Kann ich den analogen Drehzahl-Eingang per SSR schalten oder sind da Störungen zu erwarten und ich verwende stattdessen besser ein mechanisches Relais? Ich hätte wegen des Klackens lieber SSR verwendet, über die 5V-GPIO des CBP-Boards...
Sowas:
https://www.amazon.de/Ecloud-2-Kanal-5V ... DBHB8YA7YR
Danke und VG
Robin
Re: Baudoku 200 Liter Milchtankanlage
Verfasst: Dienstag 10. Oktober 2017, 22:07
von t-u-f
Hallo Lumbanraja,
Deine FU's kenne ich nicht (hab noch nie mit Lenze gearbeitet)
Ich würde das so belassen wie du das hast,
Ich würde die FU's anders programmieren,
Anscheinen hast du schon die Anlauframpe so einprogrammiert das diese über eine bestimmte Zeit hochfährt,
genau das solltest du auch bei der Auslauframpe machen, das heißt wenn der FU die Startfreigabe entzogen wird das der FU die Frequenz langsam auf null reduziert...
Sollte gehen da Lenze eigentlich ein hochwertiger Hersteller ist...
Gruß T-u-F
Re: Baudoku 200 Liter Milchtankanlage
Verfasst: Dienstag 10. Oktober 2017, 22:13
von t-u-f
Andere Idee:
..Falls du ein CBP-Board ein 4-20mA bzw 0-10V Ausgang hat warum steuerst du die Anlauf und Auslauframpe direkt mit den Board auf den Pins 62 ->Plus und Pin 7 GND...
Müsste dann nur noch in der Software eingepflegt werden...
Gruß T-u-F
Re: Baudoku 200 Liter Milchtankanlage
Verfasst: Mittwoch 11. Oktober 2017, 05:15
von Lumbanraja
Vielen Dank! Genau das mit der Auslauframpe habe ich so auch einprogramiert, die funtioniert aber nur, wenn ich die 8 unterbreche. Mach ich dies über die Reglerfreigabe 28, stopt er einfach.
Das mit dem Programmieren scheidet aus, da ich auch bei Ausfall des PI manuell fahren können möchte, incl. Drehzahlregelung. Für die Pumpe ist das auch extrem wichtig, da damit auch geläutert und geseiht wird, daher auch die Getriebepotis zur Feinregelung...
Re: Baudoku 200 Liter Milchtankanlage
Verfasst: Mittwoch 11. Oktober 2017, 19:17
von t-u-f
Ich weiß ja nicht wie du die Eingänge programmiert hast..
Lt. der Zeichnung ist die 8 der Eingang für den Sollwert,
Ist 28 als Not-Aus vorgesehen...?
Das würde ja auch erklären das dann der Motor ohne Rampe stoppt....
ggf. einer die Eingänge E1 bis E4 mit der Startfreigabe belegen bzw. und programmieren...
Gruß T-u-F
Re: Baudoku 200 Liter Milchtankanlage
Verfasst: Mittwoch 11. Oktober 2017, 19:35
von Lumbanraja
Hm...das wird so wohl nicht funktionieren. Das sind feste Frequenzwert-Eingänge und Ähnliches...
Re: Baudoku 200 Liter Milchtankanlage
Verfasst: Mittwoch 11. Oktober 2017, 19:48
von t-u-f
okay, mit dem Klemmbelegungsplan kann ich etwas anfangen...
...da hast du recht mit den Festfrequenzen....
...probier mal was folgendes aus:
ein Schalter zwischen 20 und 28....
..falls das nicht klappt mit der Auslauframpe-Rampe stimmt was nicht in der Programmierung...
(..festgestellt aus Erfahrungen von zig anderen FU-Herstellern...)
Re: Baudoku 200 Liter Milchtankanlage
Verfasst: Mittwoch 11. Oktober 2017, 19:59
von Lumbanraja
Leider nein, leider gar nicht... da tut sich absolut nichts. Einzige Variante, bei der auch die Auslauframpe funktioniert, ist die Unterbrechung von 8...
Wäre ein duerhafter Betrieb mit dieser Methode denn schlimm? Vielleicht befrage ich daz mal Lenze, aber ob die bei einem Uraltmodell, das gebraucht gekauft wurde Lust haben, sich damit auseinanderzusetzen....
Re: Baudoku 200 Liter Milchtankanlage
Verfasst: Mittwoch 11. Oktober 2017, 20:01
von t-u-f
..ungewöhnlich aber sollte gehen...
Bei Lenze nachfragen, das ist eine gute Idee...
Gruß T-u-F
Re: Baudoku 200 Liter Milchtankanlage
Verfasst: Mittwoch 11. Oktober 2017, 20:04
von Lumbanraja
Nachfragen werde ich versuchen... Relais oder SSR, was meinst Du?
Re: Baudoku 200 Liter Milchtankanlage
Verfasst: Mittwoch 11. Oktober 2017, 21:20
von t-u-f
Relais!
ganz einfach aus dem Grund: Hier hast du ein Wechsler-Kontakt...
Sollte mal der FU zicken und sich nicht 100% ausgeht
weil zB. SSR nicht galvanisch unterbrechen oder zuviel Störungen auf der Signalleitungen von aussen drauf sind, kannst du ja den Gemeinsamen(COM) auf der 8 legen, auf den Schließerkontakt (NO) dein Poti und auf dem Öffner(NC) GND...
ein besseres LOW-Signal kriegst du nicht hin....

- FU-Variante1.png (36.91 KiB) 9777 mal betrachtet
Gruß T-u-F
EDIT: Zahlenverdreher bei der Pinbelegung
Re: Baudoku 200 Liter Milchtankanlage
Verfasst: Mittwoch 11. Oktober 2017, 21:25
von t-u-f
Achtung Zeichnungsfehler!!!
GPIO arbeitet ja mit 5V und nicht mit 12V!!!!
Re: Baudoku 200 Liter Milchtankanlage
Verfasst: Mittwoch 11. Oktober 2017, 22:56
von Lumbanraja
Ne, die GIPIO vom CBP Extention Board hauen 12V raus...
Habe aber nun zwei 12V Relais bestellt und werde das so machen. Vielen Dank für Deine Hilfe!

Re: Baudoku 200 Liter Milchtankanlage
Verfasst: Freitag 13. Oktober 2017, 16:57
von t-u-f
12V..?
Weil du in Post 51, das zweite Schaltungsbild auch 5V angegeben hast...
..und ein Raspi und so auch eine Ausgangsspannung von 5V hat...
...Freut mich das ich die helfen konnte...
Gruß T-u-F
Re: Baudoku 200 Liter Milchtankanlage
Verfasst: Samstag 14. Oktober 2017, 11:34
von Lumbanraja
Du hast natürlich recht, das Extention-Board könnte auch 5V. Die 12V-Anschlüsse sind aber schöner zu installieren (Schraubklemmen) und bei vielen 5V Relais las ich von Problemen bem Pi, im Gegensatz zum Arduino.
Grüße
Robin
Re: Baudoku 200 Liter Milchtankanlage
Verfasst: Freitag 20. Oktober 2017, 21:08
von Lumbanraja
Sodele, heute habe ich mit ein paar Jungs aus Köln die neue Anlage eingebraut
Es hat fast alles prima geklappt, das Konzept geht voll auf! Gebraut wurden 100l Pale Ale, angepeilt 12°P, heraus kamen 12,6°P bei 100l im Gärtank.
Gedauert hat das Ganze 6 1/2 Stunden, ich denke mit etwas mehr Routine sind da 6 Stunden denkbar. Es ist nix angebrannt und vom Ein- bis Abmaischen kann man tatsächlich shoppen gehen...
Der Hammer, vielen Dank an Manuel Fritsch für das Mega-Programm!
Obgleich ich das mit den PID-Parametern nicht so wirklich in den Griff bekomme, ich habe nun einfach P:100, I:0, D:O eingestellt, und das läuft ausreichend genau.
Nur beim Läutern kam gegen Ende etwas viel Festes mit, sodass wir die Würze nochmal durch den Hopfenfilter gepumpt hatten.
Vielleicht habe ich zu zaghaft gepumpt beim Läutern und der Trber ging nicht fest genug zusammen, jedenfalls hat sich der Pegel im Kontrollröhrchen kaum bewegt. Das Läuterblech hat es jedenfalls gut vertragen und keinerlei Verformungen erlitten, sodass ich beim nächsten Mal etwas mehr Gas geben werde.
Was allerdings gar nicht gut lief, war das Würzekühlen; wir kamen mit langsamster Pumpenstufe auf 35°C und haben den Rest dann notgedrungen im ZKG auf Anstelltemperatur gekühlt. Ich denke, da muss wohl ein zerlegbarer Plattenwärmetauscher her.

Was aber verdammt Gut und zügig lief waren die Aufheizzeiten, die haben die Verzögerungen wieder wett gemacht. Auch der Whirlpool und das Seihen waren eine wahre Freude!
Der Abzug auch leider geil, man riecht nicht einmal, dass gebraut wird, wenn man direkt neben der Anlage steht, umsomehr aber draußen...
Das Reinigen stand dem in nichts nach, Schlauchspritze und Bürste rein, Schmodder mit der Pumpe dierekt in den Abguß - es hat nichts gekleckert oder wurde klebrig!

Woran ich mich noch gewöhnen muss, ist die Geräuschkulisse, die die Motoren verursachen, laut im Schnelllauf und schrill fiepend bei langsamen Drehzahlen...
Aber dennoch bin ich sehr zufrieden uns sage allen, die mich mit Tips und Ratschlägen unstertützt haben ein fettes
DANKESCHÖN!!!
Die Anlage, vorn der Läuterbottich mit dem Kontrollröhrchen.
Hier fehlen nur noch die richtig gravierten Schildchen...
Maischen mit Rührwerk.
Das macht echt Spass ;-)
Hopfenseihen...
Fast bis auf den letzten Tropfen kann alles genutzt werden.
Das Sorgenkind... Nicht der Kölner, den Kühler meine ich.
Re: Baudoku 200 Liter Milchtankanlage
Verfasst: Montag 23. Oktober 2017, 12:53
von bierkind
Hi Robin,
herzliche Glückwünsche zum 1. Sud! Freut mich dass deine Anlage funktioniert wie gedacht
Auch handwerklich und verarbeitungstechnisch muss ich sagen sieht die Anlage echt top aus!
Als Mitstreiter in der Milchtank-Bastler Ecke muss ich noch paar triviale Fragen stellen:
-Hast du das Problem mit dem Kondenswasser lösen können?
-Wie/ mit was hast du eigentlich den Milchtankboden ausgeschnitten (Das Loch wo die Heizelemente versenkt sind)?
-Welche Temperatur-Sensorhülse hast du denn genommen? Eine stinknormale und einfach eingeschweißt oder gibts da spezielle zum Anschweißen?
-Hast du schon einen Plan bezgl Mannloch? Ich zerbrech mir auch schon des längeren den Kopf wie man das bestmöglich einbaut und die "Außenhaut" des Milchtanks wieder schließt.
Leider hatte ich sehr wenig Zeit um bei meiner Anlage weiter zu machen aber irgendwann sieht meine vielleicht auch so toll aus wie deine
Gruß,
Alex
Re: Baudoku 200 Liter Milchtankanlage
Verfasst: Montag 23. Oktober 2017, 13:51
von Lumbanraja
Moin Alex,
erst mal danke für die Blumen

!!!
- Das mit dem Kondenswasser ist weniger geworden, aber noch da. Wenn die Anlage durchgeheitzt ist hört das auch von alleine wieder auf.
Ich lasse das erst mal so und beobachte das weiter.
- Das Loch habe ich einfach mit einer Stichsäge ausgeschnitten und zwar mit extra schmalen Bimetallblättern von Bosch (T118EOF).
Damit habe ich auch das Loch in der Haube geschnitten. 3mm VA und enge Radien, kein Problem, wie Butter!
- Die Sensorhülse ist eine einfache Einschraubhülse aus dem Sensorshop. Das Gewinde habe ich in die äußere Tankwand "geschraubt".
Das Loch in der inneren Wand ist nur so groß wie die Hülse.
Um das dan abzudichten, habe ich cadmium- und bleifreies Weichlot mit entsprechendem Flussmittel verwendet (A 611).
Weichlöten deshalb, weil ich die Isolierung möglichst unversehrt lassen wollte, was beim Schwißen oder Hartlöten nicht der Fall gewesen wäre.
- Mit dem Mannloch warte ich noch mal ab, denn wie Du schon erkannt hast, ist das nicht so einfach. Zum einen sorge ich mich um extremen Schweißverzug, zum anderen um die umliegende Isolierung, die beim Schweißen auch flöten gehen wird. Ich hänge vorerst eine Kette von der Decke, an die ich über/im Läuterbottich einen Eimer hännge. So kann ich ganz entspannt und beidhändig schaufeln...
Aber ad acta ist das mit dem Mannloch noch nicht gelegt, zuerst aber muss ich mich um die Kühlung kümmern und eine Skala in die Sudpfanne ätzen. Vor allem aber Bier brauen! Ach ja, einen meiner ZKG muß ich nun auch noch mit Kühlspirale und Isolierung versehen, schließlich habe ich jetzt mehr Ausschlag, der vergoren werden will...
VG
Robin
Re: Baudoku 200 Liter Milchtankanlage
Verfasst: Montag 30. Oktober 2017, 14:47
von bierkind
Hoi,
also eine Idee hätte ich ja- du müsstest einfach an einem Tag mit trockener Luft den Boden vom Milchtank luftdicht verschließen. Im Endeffekt ist ja kaltes Wasser in den Tank einfüllen ähnlich wie eine Flasche Wasser aus dem Kühlschrank holen. die Flasche fängt an zu "schwitzen" weil an der Flasche die Luftfeuchtigkeit kondensiert. Aber wie du sagst so schlimm wirds nicht sein.
Die Idee mit der Stichsäge hatte ich auch schon, ich habe aber befürchtet dass die Stichsäge zu viel Hub hat und dann gegen die innere Wanne vom Milchtank schlägt. habs probiert und leider recht gehabt. Bei mir war die Isolationsschicht im Boden nicht so dick - darum gings nicht unter 3 Stichsägeblätter weils 2 verbogen hat

- Immerhin war die Isolation homogener als bei dir- bringt dem Hobbybrauer nur leider nichts^^
Die Idee mit der Sensorhülse find ich super. Das werde ich eventuell auch so umsetzen
Eigentlich wollten wir am verlängerten WE in AT auch brauen. Tja leider hatte die Wasserversorgung ein kleines Keim Problem und hat kurzerhand das Wasser gechlort. Natürlich suboptimal zum brauen- also wird gebaut und modifiziert. Mein Spezl hat gut 4h gebraucht um den Tank passgenau fürs Mannloch aufzuflexen:

- Gut Ding braucht Weile!
die Woche wird das Mannloch erodiert um den gleichen Radius wie der Milchtank innen zu haben. Dann müssen wir es einschweißen und uns überlegen wie wir die Isolation vom Tank wiederherstellen und das Ganze wieder verschließen.
Falls uns hierzu was schlaues einfällt lass ich es dich wissen.
LG
Alex
Re: Baudoku 200 Liter Milchtankanlage
Verfasst: Dienstag 31. Oktober 2017, 10:54
von Lumbanraja
Alter! Jetzt setzt Du mich aber unter Druck...

Aber sag, wieso habt Ihr denn die Aussenhülle so groß ausgeschnitten?
Auf jeden Fall derbe spannend! Weiter so...
Re: Baudoku 200 Liter Milchtankanlage
Verfasst: Mittwoch 24. Januar 2018, 21:50
von hotbrewer
Hallo miteinander, ich baue mir gerade ne Anlage zusammen mit 100 liter Toepfen und bin nun auf der Scuhe nach guenstigen Brennern, moeglichst aus Gusseisen. Hat irgendjemand einen guten Tipp?? auch gerne Heiztrahler, sollte aber ausreichend gross sein
Re: Baudoku 200 Liter Milchtankanlage
Verfasst: Dienstag 10. April 2018, 21:04
von Kptn_Chaos
Gratulation erst noch mal zu der gelungenen Anlage
Ich bin auch mal wieder am Erweitern und frage mich grade, wie ich die Maische am besten umgepumpt bekommen. Auf dem Plan steht eine Impellerpumpe. Nur bin ich mir zur Zeit noch nicht sicher, ob die 1" Anschlüsse, die an den preislich in frage kommenden Pumpen dranne sind ausreichen.Bei meiner 50L Anlage habe ich einen 1" Ablaßhahn und da hab ich gegen Ende immer das Problem, das zuviel Dickes drin bleibt, was nicht mehr freiwillig durch die Öffnung geht. Allerdings saugt hier auch keine Pumpe.
Schafft Deine Impellerpumpe mit den, wenn ich das richtig gelesen habe, 1" Anschlüssen die Maische komplett aus der Pfanne in den Läuterbottich zu pumpen?
Grüße,
Maddin
Re: Baudoku 200 Liter Milchtankanlage
Verfasst: Mittwoch 11. April 2018, 10:33
von Lumbanraja
Moin Maddin,
das mit der Maische funktioniert wunderbar, die Brewicks-Anlage hat das auch so. Einzig der Anfang hakt manchmal etwas, da sich im zentralen Ablauf unter dem Rührpaddel das Zeug beim Maischen verklumpt. Ich sauge dann anfänglich einfach über den seitlichen Ablauf an, wenn's läuft stelle ich das Ventil um und den Pfrofen saugt's durch... Bis 14° Plato hatte ich noch keine Probleme, die 18° habe ich noch nicht ausprobiert, sollte aber auch gehen.
VG Robin
Re: Baudoku 200 Liter Milchtankanlage
Verfasst: Dienstag 3. Juli 2018, 14:05
von Seduceddirtguy
Moin,
wie ist der Zwischenstand? Gab es noch Verbesserungen oder irgendwas was sich als nicht so gut heraus kristalisiert hat?
Was sprach eigentlich gegen Rührwerk per Pumpe? Und für Welche Medientemperaturen ist deine Pumpe frei gegeben?
Funktioniert das Inline Hopfenseihen nach Whirlpool? Oder musst du diesen Zwischendurch reinigen? Und Als letztes würde ich gern wissen warum du nich Warm in den ZKG gehst und dort Kühlst?
MfG Bastian
Re: Baudoku 200 Liter Milchtankanlage
Verfasst: Freitag 6. Juli 2018, 10:09
von Lumbanraja
Moin...
Rührwerk per Pumpe:
Geht nicht, da das Einmaischen damit nicht ohne händisches Zutun funktionieren würde. Außerdem verhindern die Rührpaddel ein Einbrennen oberhlab der Heizstrahler. Ein duerhaftes Umpumpen der Spelzen würde den 100€ teuren Impeller auch unnötig schnell abnutzen.
Temperatur der Pumpe:
Ist bis 100°C ausgelegt.
Seihen:
Bei 100l funktioniert das prima, bei 200l kommt zu viel mit, da der Trubkegel zu groß wird. Pumpe dann einfach mitsamt Schmodder und hänge einen Filtersack in den ZKG - geht auch. Vielleicht besorge ich irgendwann mal einen größeren Kerzenfiter, mal schauen...
Kühlen im ZKG:
Kurz, frisst mir zu viel Strom.
VG Robin
Re: Baudoku 200 Liter Milchtankanlage
Verfasst: Dienstag 30. Oktober 2018, 15:44
von mazi94
Wie hast du das mit den kabeln bei der heizung gemacht? Werden die nicht zu heiß?
Re: Baudoku 200 Liter Milchtankanlage
Verfasst: Mittwoch 31. Oktober 2018, 10:03
von Lumbanraja
Das ist in der Tat ein Problem... vor allem, wenn die Kontakte leicht ankorrodiert sind, nachdem die Anlage eine Weile stand. Da muss ich mir noch was überlegen. Aber die Kabel an sich werden nicht zu heiß, das tun sie in der Küche ja auch nicht. Nur kommt dort nicht so viel Feuchtigkeit dran.
Vielleicht besorge ich mir Goldkontakte oder so...
Re: Baudoku 200 Liter Milchtankanlage
Verfasst: Donnerstag 1. November 2018, 18:54
von mazi94
Ich habe normale heizplatten auf die unterseite montiert .
Habe aber einen wirkungsgrad von nur 18%
Re: Baudoku 200 Liter Milchtankanlage
Verfasst: Donnerstag 1. November 2018, 19:26
von mazi94
Hast du den boden also schwarz lackiert dann die ceran platten drauf gemacht?
Re: Baudoku 200 Liter Milchtankanlage
Verfasst: Donnerstag 1. November 2018, 19:30
von Rumpelstilzchen
Die Verbindungen an Heizelementen werden meist(immer?) aus vernickelten Kontakten hergestellt.
Re: Baudoku 200 Liter Milchtankanlage
Verfasst: Freitag 2. November 2018, 08:57
von klostersander
Moin Robin.
Für die Verkabelung der Heizelemente hast du sicher Silikonleitung genommen, oder?
Zu empfehlen wäre auch eine glasseidenisolierte Nickellitze. Gibt es bei
www.litzenladen.de
Wünsche noch gut Sud und auf bald. (Treffen im Dezember?)
Gruß Matze
Re: Baudoku 200 Liter Milchtankanlage
Verfasst: Freitag 2. November 2018, 09:31
von Lumbanraja
Treffen, warum nicht schon im November? Nein, bislang habe ich die normalen Kabel dran, habe aber das Gefühl, dass sie Flachstecker Korrosion ansetzen und dadurch hitzeentwickelnder Widerstand bildet. Das tut es aber auch nicht an allen Verbindungen. Fackt ist, dass die Dinger immer estwas Feuchtigkeit ansetzen beim Aufheizen merkt man das. Ich denke eben, dass das die Korrosion verursacht, da muss ich mir was überlegen... Die Versilberten Flachstecker habe ich bis jetzt noch nicht in 6mm² gefunden.
Grüße
Robin