Seite 1 von 1
Flaschenfüller mit Magnetventil
Verfasst: Donnerstag 24. September 2015, 22:55
von hofbrauer
Die Hilfsmittel zum Abfüllen in Flaschen haben mich regelmäßig genervt. Bis, ja, bis ich einen Abfüller mit Magnetventil und Endabschaltung gebaut habe.
Dank Füllstandsfühler gibt es jetzt kein Überlaufen mehr, jede Flasche hat die gleiche Füllhöhe, die Kleckerei hat ein Ende, der gesamte Abfüllvorgang entspannt sich.
Ursprünglich hatte ich, um keinen Leerlauf zu haben, geplant, 2 oder gar 3 Füller nebeneinander zu betreiben. Nachdem ich die Drosselung des Magnetventils eingestellt habe, laufen nun jeweils zwei Vorgänge parallel ab.
Während der "Automat" eine zweite Flasche befüllt, verschließe ich die im vorherigen Durchlauf befüllte, erste Flasche und klemme den Etikettstreifen ein. Meist hat das Ventil bereits abgeschaltet, bevor ich damit fertig bin.
Dann Flasche ab in den Kasten, neue Flasche greifen und am Füller austauschen. Neues Spiel, neues Glück.
Schneller geht's ohnehin nicht, daher benutze ich nur ein Ventil.
Angesichts der geringen Kosten, des minimalen Bauaufwands und der Einfachheit möchte ich euch die Scheu nehmen und Nachbauten anregen. Deshalb stelle ich dazu ein paar Informationen ein:
Magnetventil: 26€
Elektronische Bauteile: unter 10€
Kleinteile wie Holzbrett, Schrauben, Füllrohr usw. aus eigenem Fundus
In das Füllrohr, das in der Flasche bis fast auf den Boden reicht, habe ich ein Stück Silikonschlauch mit einem Innendurchmesser von 4 mm geschoben. Dadurch hält sich die Flüssigkeitsäule im Rohr, ohne dass es beim Flaschenwechsel tropft.

- (immer noch) Probeaufbau für 2 Ventile, fast and dirty

- die Endabschaltung gewährleistet gleiche Füllhöhen, kein Überlaufen mehr
Edit: 02.12.15, Fühler aus Edelstahl (Rouladen-Spieß)
Für mich kommen nun die Feinheiten:
Endlich mal den Probeaufbau durch eine kleinere Platte ersetzen; den derzeitigen Aufbau der Schaltung auf Lochraster durch eine geätzte Platine ersetzen; die beiden Fühler durch Niro ersetzen und freuen ...
Und für euch viel Spaß beim Nachbauen.
Re: Flaschenfüller mit Magnetventil
Verfasst: Freitag 25. September 2015, 00:52
von vitivory
Der da:
http://www.schnapsbrenner.eu/Abfuellpistole-Metall
funktioniert ohne Elektronik, abgefühlt kann dierekt im Kasten, tropft nicht, befüllt exakt jede Flasche und ist billig.

Re: Flaschenfüller mit Magnetventil
Verfasst: Freitag 25. September 2015, 02:19
von fassjauche_shanghai
Cool, hoert sich einfach und clever an!
Mein problem beim Flaschen füllen oder auch zapfen per kompensator ist eher, dass es mit manchen Süden klappt und mit anderen megaviel schaum entsteht. Und dann dürfte jeder abfueller ueberfordert sein.
Re: Flaschenfüller mit Magnetventil
Verfasst: Freitag 25. September 2015, 08:16
von danduril
Coole Idee, ich hatte mir auch schon mal überlegt ein Magnetventil dafür zu nutzen. Nur wie hast du den Füllstandfühler realisiert?
Re: Flaschenfüller mit Magnetventil
Verfasst: Freitag 25. September 2015, 10:51
von hofbrauer
@vitivory: Das handling der Zapfpistole sagt mir nicht zu. Aber entscheidender für mich war, dass ich durch den parallelen Ablauf die Abfüllzeit praktisch halbieren (und mit der Vorrichtung die Abfüllung entspannter angehen) kann.
@fassjauche_shanghai: Ich habe noch nicht mit einem Kompensator gearbeitet, von daher kann ich dessen Verhalten nicht einschätzen.
Dass Schaumproblem konnte ich bei mir lösen, indem ich die Einlauföffnung möglichst nah an den Flaschenboden gebracht und die Fließgeschwindigkeit reduziert habe. Mit diesem Verfahren habe ich ein Klosterbier, Kölsch, Pilsener, Märzen und 2 x Weizen jeweils ca. 40 L abgefüllt. Der Schaum beim Abfüllen ist zwischen den Sorten nicht immer identisch, führt aber nur dazu, dass der Füllstand bei der Biersorte dann etwas geringer ist.
Mit dem (weißen) Starttaster wird der Abfüllvorgang gestartet _und_ das Relais überbrückt. Falls ich etwas Nachfüllen möchte, könnte ich kurz den Taster antippen. Der Fühler ist dabei überbrückt, das Ventil öffnet sich daher nur solange der Taster geschlossen ist. Somit könnten auch kleine Mengen nachgesetzt werden.
Aus der Zielrichtung die Fließgeschwindigkeit möglichst gering zu halten resultierte der erste Ansatz mehrere Abfüller nebeneinander her laufen zu lassen. Es zeigte sich aber, dass die restlichen Arbeiten (nä. Flasche vorbereiten, befüllte Flasche verschließen, Etikettieren, Flasche ab in den Kasten...) sich nicht weiter reduzieren ließen. Deshalb bin ich zurück auf ein Ventil gegangen.
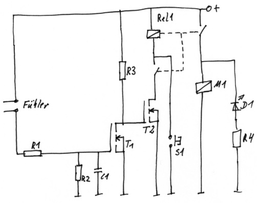
@danduril: Mein Sohn

hat mir für den Fühler eine Schaltung entworfen. Die eigentliche Schaltung besteht lediglich aus 2 MOS-FET, 1 Relais, 3 Widerständen, 1 Kondensator und 1 Taster.
Re: Flaschenfüller mit Magnetventil
Verfasst: Freitag 25. September 2015, 11:27
von Dr Huppertz
Du füllst also mit Zucker oder Speise in die Flaschen um dort dann die Nachgärung durchzuführen, richtig?
Re: Flaschenfüller mit Magnetventil
Verfasst: Freitag 25. September 2015, 12:04
von danduril
Ja, die Bauteile befinden sich auf der Platine. Aber was für eine Art Sensor hängt denn dort am Abfüllrohr?
Oder sind das lediglich zwei Kontakte, die durch die Flüssigkeit eine leitende Verbindung bilden?

Re: Flaschenfüller mit Magnetventil
Verfasst: Freitag 25. September 2015, 12:23
von hofbrauer
@ Dr Huppertz: Ich lege die Speise im Topf vor. Die Zugabe je Flasche ist mir zu aufwändig. Ob im Topf oder in der Flasche sollte aber keinen Einfluss auf die Funktion haben.
@ danduril: Sorry, Frage falsch verstanden. Ich benutze derzeit zwei Drähte als Fühler, die werde ich als Nächstes durch Edelstahl-Fleischspieße ersetzen.
Re: Flaschenfüller mit Magnetventil
Verfasst: Freitag 25. September 2015, 13:22
von Griller76
Hallo hofbrauer,
allererst einmal muss ich sagen, dass ich Deine Erfindung echt clever finde. Wie ich aber sehe, ist der Füllstand bei Deinen Flaschen zu hoch. Etwas Luft sollte im Flaschenhals schon noch sein, denn das Bier karbonisiert in der Flasche.
Bei der Abfüllpistole war ich anfangs auch skeptisch, aber ich bin damit vollauf zufrieden. Und so schnell und unkompliziert, wie ich damit abfülle, komme ich mit einer sonstigen technischen Gerätschaft nicht hin.
Bei Hopfen und Mehr ist die Abfüllpistole sogar sofort lieferbar, falls Du sie doch einmal probieren möchtest, nur so zum Vergleich:
http://www.hobbybrauerversand.de/Automa ... ole-Metall
freundliche Grüße
Alexander
Re: Flaschenfüller mit Magnetventil
Verfasst: Freitag 25. September 2015, 13:38
von Hopfenplotz
Griller76 hat geschrieben:...der Füllstand bei Deinen Flaschen zu hoch. Etwas Luft sollte im Flaschenhals schon noch sein, denn das Bier karbonisiert in der Flasche.
Wenn der Schlauch aus der Flasche raus ist, ist Luft nach oben
VG
Marcus
Re: Flaschenfüller mit Magnetventil
Verfasst: Freitag 25. September 2015, 14:00
von Blancblue
Griller76 hat geschrieben:Wie ich aber sehe, ist der Füllstand bei Deinen Flaschen zu hoch. Etwas Luft sollte im Flaschenhals schon noch sein, denn das Bier karbonisiert in der Flasche.
Nee, das Gegenteil ist der Fall - randvoll machen. Je weniger Luft in der Flasche, desto weniger Oxidation, desto länger bleibt das Bier schmackhaft.
Re: Flaschenfüller mit Magnetventil
Verfasst: Freitag 25. September 2015, 14:13
von Hopfenplotz
Blancblue hat geschrieben:Griller76 hat geschrieben:Wie ich aber sehe, ist der Füllstand bei Deinen Flaschen zu hoch. Etwas Luft sollte im Flaschenhals schon noch sein, denn das Bier karbonisiert in der Flasche.
Nee, das Gegenteil ist der Fall - randvoll machen. Je weniger Luft in der Flasche, desto weniger Oxidation, desto länger bleibt das Bier schmackhaft.

Ich mache auch immer voll bis Ultimo. Durch Entfernen des Abfüllröhrchens ist zum Kopfraum aber Luft. Ist es tatsächlich dem Bier abträglich? In der aeroben Phase wird doch Sauerstoff verbraucht, daher sollte ein wenig Luft im Kopfraum unschädlich sein?
VG
Marcus
Re: Flaschenfüller mit Magnetventil
Verfasst: Freitag 25. September 2015, 14:19
von Blancblue
Die Vermutung, dass die aktive Hefe bei der Flaschenachgärung den Sauerstoff im Kopfraum der Flasche zehren kann, hat sich in verschiedenen Versuchen nicht bestätigt [Her05]. Es wurde gezeigt, dass die Hefe nach beendeter Hauptgärung in der ruhenden Flasche nur derart geringe Mengen — falls überhaupt — an Sauerstoff aufnehmen kann, dass kein wirksamer Schutz vor Oxidation festzustellen war. Auch bei Flaschennachgärung ist daher eine hohe Sorgfalt bei der Abfüllung erforderlich.
aus:
http://braumagazin.de/article/oxidation ... ralterung/
Re: Flaschenfüller mit Magnetventil
Verfasst: Freitag 25. September 2015, 14:21
von Hopfenplotz
okay. Danke!
Re: Flaschenfüller mit Magnetventil
Verfasst: Freitag 25. September 2015, 15:26
von inem
Hopfenplotz hat geschrieben:Blancblue hat geschrieben:Griller76 hat geschrieben:Wie ich aber sehe, ist der Füllstand bei Deinen Flaschen zu hoch. Etwas Luft sollte im Flaschenhals schon noch sein, denn das Bier karbonisiert in der Flasche.
Nee, das Gegenteil ist der Fall - randvoll machen. Je weniger Luft in der Flasche, desto weniger Oxidation, desto länger bleibt das Bier schmackhaft.

Ich mache auch immer voll bis Ultimo. Durch Entfernen des Abfüllröhrchens ist zum Kopfraum aber Luft. Ist es tatsächlich dem Bier abträglich? In der aeroben Phase wird doch Sauerstoff verbraucht, daher sollte ein wenig Luft im Kopfraum unschädlich sein?
VG
Marcus
Die aerobe Phase ist grob gesagt die Vermehrungsphase. Hefevermehrung sollte bei der Nachgärung unter normalen Bedingungen nicht mehr nötig sein.
Re: Flaschenfüller mit Magnetventil
Verfasst: Freitag 25. September 2015, 15:31
von seatle
unabhängig von der Füllhöhe (welche sich ja auch die Kontakte justieren ließe...) ein interessanter Prototyp!
möchtest du vielleicht etwas mehr zu den Bauteilen und Bezugsquellen kund tuen?

Re: Flaschenfüller mit Magnetventil
Verfasst: Freitag 25. September 2015, 16:39
von Griller76
Blancblue hat geschrieben:Die Vermutung, dass die aktive Hefe bei der Flaschenachgärung den Sauerstoff im Kopfraum der Flasche zehren kann, hat sich in verschiedenen Versuchen nicht bestätigt [Her05]. Es wurde gezeigt, dass die Hefe nach beendeter Hauptgärung in der ruhenden Flasche nur derart geringe Mengen — falls überhaupt — an Sauerstoff aufnehmen kann, dass kein wirksamer Schutz vor Oxidation festzustellen war. Auch bei Flaschennachgärung ist daher eine hohe Sorgfalt bei der Abfüllung erforderlich.
aus:
http://braumagazin.de/article/oxidation ... ralterung/
Danke für den Link, da habe ich wieder was dazugelernt.
Re: Flaschenfüller mit Magnetventil
Verfasst: Freitag 25. September 2015, 17:56
von hofbrauer
Das Interesse am Abfüller hat mich überrascht. Im Moment kann ich daher (auf die Schnelle) nur meinen derzeitigen Schaltungsentwurf einstellen.
Wie die Bezeichnung schon sagt, besteht noch Optimierungsmöglichkeit, so könnte z. B. die Negation des zweiten FET durch einen einzigen P-Kanal MOS-FET ersetzt werden. Dazu habe ich (natürlich erst als ich fertig war) einen interessanten Link bekommen, der dies nutzt:
https://www.mikrocontroller.net/attachm ... warner.pdf
Mein Netzteil liefert 17V Versorgungsspannung, sowohl Schaltung als auch Magnetventil arbeiten aber auch bei 12V.

- Schaltungsentwurf Abfüller
- Schaltungsskizze.jpg (33.2 KiB) 10987 mal betrachtet
Bauteile (Reichelt):
R1=1K; R2 = 1M; R3 = 2,2K; R4 = 2,2K (ca. 0,20€)
C1 = 10n (MKS-02 10N 0,13€)
D1 = LED (0,35€)
S1 = Taster (DT 6 RT 0,79€)
T1 = T2 = BS170 (2 x 0,10€)
Rel1 = FTR F1CA012V (1,20€)
2 x Niro-Fleischspieß
Magnetventil:
M1 = 40601A (
http://www.libertyshop.de 25,99€)
Re: Flaschenfüller mit Magnetventil
Verfasst: Samstag 26. September 2015, 17:03
von seatle
Super, Danke!
jetzt muss ich nur noch zeit finden das nach zu bauen

Re: Flaschenfüller mit Magnetventil
Verfasst: Montag 23. November 2015, 16:09
von hofbrauer
... sauber

das freut mich, dann hat die ansteckende Wirkung meines Bauvorschlags offenbar gegriffen.
@ Hopfenzupfer: Hast du die Schaltung aufgegriffen oder eine Eigenentwicklung gemacht?
Greets hofbrauer
Re: Flaschenfüller mit Magnetventil
Verfasst: Montag 23. November 2015, 17:28
von MartinM
Hopfenzupfer hat geschrieben:Ich löte nicht (mehr). 2 Fertgteile verbinden, das war´s.
Könnte mir vorstellen das diese 2 Fertigteile für den einen oder anderen Bastler von Intresse wären.
gehopfte Grüße
Re: Flaschenfüller mit Magnetventil
Verfasst: Montag 23. November 2015, 18:05
von Fricky
MartinM hat geschrieben: Könnte mir vorstellen das diese 2 Fertigteile für den einen oder anderen Bastler von Intresse wären...
Das meine ich doch auch. Eine Bezugsquelle wäre super.
Gruß, Peter.
Re: Flaschenfüller mit Magnetventil
Verfasst: Mittwoch 2. Dezember 2015, 18:06
von hofbrauer
Ja,
Fühler und Schaltung waren mehrmals im Einsatz und funktionieren problemlos und sicher.
Der Neuaufbau ist ist auch fertig. Zum Fühler habe ich oben ein neues Foto eingestellt.
Das Ziel, den bisherigen Streß beim Abfüllen zu verbannen, ist voll erreicht. Egal, wie lange ich zum Verschließen und Etikettieren der vorhergehenden Flasche brauche, die nächste, gefüllte Flasche wartet geduldig, bis ich bereit für die Nächste bin.
Re: Flaschenfüller mit Magnetventil
Verfasst: Donnerstag 3. Dezember 2015, 17:47
von Ger Debije
Dies ist eine ziemlich erstaunliche Gerät und ich werde sicherlich versuchen,so etwas zu imitieren
Ich hoffe, dass Sie dies lesen können, ich kann kein Deutsch schreiben, Ich habe es mit einem Übersetzer gemacht
Re: Flaschenfüller mit Magnetventil
Verfasst: Freitag 4. Dezember 2015, 11:39
von Fricky
Hopfenzupfer hat geschrieben:Bei Wasser funktioniert der Sensor einwandfrei.
Die Tests an fertigem Bier zeigen, dass der Sensor zuverlässig bei Erreichen des Füllstandes das Zulaufventil abschaltet.
Der anhaftende Bierschaum macht aber Probleme. Aufgrund der großen Empfindlichkeit des Sensors wird nämlich auch anhaftender Bierschaum als Flüssigkeit interpretiert, sodass das Ventil nicht mehr geöffnet wird, auch wenn der Meßfühler nicht mehr eingetaucht ist.
Was genau ist das denn für ein Sensor? Kann man den mal sehen? Ist der bei dem Wassermelder dabei?
Gruß, Peter.
Re: Flaschenfüller mit Magnetventil
Verfasst: Donnerstag 4. Februar 2016, 14:10
von Fricky
Hopfenzupfer hat geschrieben:Eine Reduzierung der Sensorempfindlichkeit durch Einschleifen von Potenziomenter brachte eine gewisse Verbesserung.
Ich bin aber skeptisch geworden ob mit diesem auf einen hochohmigen Eingang basierenden Sensorsystem die erforderliche Feinabstimmung überhaupt möglich ist.
Mal schauen...
Hat sich da schon was Neues ergeben? Schon mal wieder was getestet/getuned?
Gruß, Peter.
Re: Flaschenfüller mit Magnetventil
Verfasst: Donnerstag 4. Februar 2016, 15:35
von hofbrauer
Meine Schaltung (siehe Post #1) funktioniert nach wie vor (ohne Potentiometer usw.), so wie sie es bereits zu Beginn tat, ...
ohne Probleme ...
Die einzige Änderung ist, dass ich im Januar die Schaltung auf 24V erweitert und den Lochraster-Aufbau durch eine geätzte Platine ersetzt habe.
Re: Flaschenfüller mit Magnetventil
Verfasst: Dienstag 24. Mai 2016, 21:29
von Frederic
Hallo zusammen
Dieses Projekt ist sehr interessant! Es würde ziemlich gut zu meiner Hobby Brauanlage passen.
Frage: Gibt es eine Skizze der Schaltung der Endversion? So wie ich das sehe, braucht es diese Komponenten:
- Wassermelder
- Magnetventil
- Inverter Relais
- Startschalter
- LED + Vorwiderstand
Ich habe Mühe mit dem Startschalter. Beim Drücken öffnet er das Ventil. Wenn ich ihn loslasse, soll ja das Ventil weiter offen bleiben, bis der Wassermelder schaltet. Oder sehe ich das was falsch?
Gruss und Danke für die Hilfe
Frederic
Re: Flaschenfüller mit Magnetventil
Verfasst: Mittwoch 25. Mai 2016, 18:41
von hofbrauer
@ Frederic:
Jo, Endversion gibt es:
@: Komponenten:
Wassermelder:

nein, die Schaltung ist der Biermelder.
Magnetventil: Mein Magnetventil (Ersatzteil Kaffeautomat) hat 24V, es läuft aber auch sicher bei den 12V der Schaltung. Damit sie universeller nutzbar wird, reduziere ich jetzt die nun mögliche, höhere Versorgungs = Relais-Spannung auf die internen 12V.
Inverterrelais: Ein Inverter ist nicht erforderlich, meine Schaltung steuert das Magnetventil direkt an. Das Ventil ist im Ruhezustand geschlossen.
Startschalter: Ja -als Taster- und für "alle Fälle" einen Not-Aus.
LED+Vorwiderstand: Auf der Platine hatte ich einen Vorwiderstand vorgesehen. Den nutze ich aber nicht, da es besser erkennbare LED-Lampen gibt, die bereits einen Vorwiderstand beinhalten. Ursprünglich hatte ich vorgesehen die Bedienelemente im Geäuse zu setzen. Es hat aber mehr Charme das Gehäuse auf die Rückseite der Grundplatte zu verbannen und Taster, Schalter und LED von Vorne zugänglich zu befestigen.
@: "Ich habe Mühe mit dem Startschalter..." :
Meine Schaltung ist so aufgestellt, dass der Start-Taster(!) das Relais anzieht und einen Selbsthalt erzeugt.
Wird die Füllhöhe erreicht, fällt das Relais und damit auch das Ventil ab. Die Flasche wird ausgetauscht, der Start-Taster wird erneut betätigt, der nä. Füllvorgang beginnt. In dieser Zeit kann die vorherige Flasche Verschlossen und Etikettiert werden.

- Schaltung.jpg (28.08 KiB) 8723 mal betrachtet
Und das kommt dann, ohne Überlaufen und völlig entspannt, dabei raus:

- proud.jpg (17.04 KiB) 8723 mal betrachtet
greets vom hofbrauer
Re: Flaschenfüller mit Magnetventil
Verfasst: Mittwoch 8. Juni 2016, 12:43
von Albwoiza
Hallo Hofbrauer,
ein paar Fragen zu deiner pdf-Endversion:
Sind das noch die gleichen Bauteile wie du sie oben bei deinem Schaltungsentwurf schon beschrieben hast?
Was hast du an JP1 und JP2 angeschlossen?
Wo ist die LED und der NOT-AUS angeschlossen?
Gruß
Jürgen
Re: Flaschenfüller mit Magnetventil
Verfasst: Mittwoch 8. Juni 2016, 13:32
von hofbrauer
@Albwoiza:
Die Platine entspricht von der Anordnung her dem ursprüngliche Entwurf auf Lochraster. Entsprechend wollte ich in JP1-JP2 die LED direkt einlöten. Deshalb auch der Vorwiderstand R4.
Für den nun realisierten, aber getrennten Aufbau von Schaltung (hinter dem Füller-Gestell) und Bedien- / Anzeigeelemente Vorne, habe ich R4 auf der Platine überbrückt und die auf dem Foto oben rechts sichtbare LED mit intergriertem Widerstand an JP1-JP2 angeschlossen.
Der Not-Aus liegt in der Spannungs-Zuführung, also vor LSP7, und unterbricht damit Ventil _und_ Schaltung.
Die Bauteile der Schaltung sind ansonsten unverändert, nur um den Spannungsregler 7812 und 2 x 100nF Kondensatoren erweitert. (universellere Eingangsspannung)
Bei Interesse kann ich das Platinenlayout (zum Ätzen) senden.
greets vom hofbrauer
Re: Flaschenfüller mit Magnetventil
Verfasst: Mittwoch 8. Juni 2016, 13:41
von Albwoiza
Hi Hofbrauer, das wäre Klasse!
Re: Flaschenfüller mit Magnetventil
Verfasst: Mittwoch 8. Juni 2016, 13:45
von Ntvfrank
Moin moin,
ich habe auch Interesse an dem layout.
Viele Grüße aus Rheinhessen
Frank
Re: Flaschenfüller mit Magnetventil
Verfasst: Mittwoch 8. Juni 2016, 14:05
von DerWelcherDurstHat
hofbrauer hat geschrieben:In das Füllrohr, das in der Flasche bis fast auf den Boden reicht, habe ich ein Stück Silikonschlauch mit einem Innendurchmesser von 4 mm geschoben. Dadurch hält sich die Flüssigkeitsäule im Rohr, ohne dass es beim Flaschenwechsel tropft.
Kannst Du diesen Part vielleicht etwas näher erläutern?
Re: Flaschenfüller mit Magnetventil
Verfasst: Freitag 10. Juni 2016, 20:54
von hofbrauer
Die Dateien zur Schaltung u. Platine:
Erweiterung der Bauteile (s.o.) für Spgs-Erweiterung: Spannungsregler 7812 und 2 x 100nF Kondensatoren; für den Not-Aus eine einfacher Kipp-Schalter
- component.pdf
- Bestückung Anordnung
- (10.92 KiB) 150-mal heruntergeladen
Die beiden Dateien "zum Ätzen lassen" kann ich zwar hochladen, aber nicht einfügen. Da muss wohl ein eigener Post her.
Re: Flaschenfüller mit Magnetventil
Verfasst: Freitag 10. Juni 2016, 21:11
von hofbrauer
Zum voran gegangenen Post:
Nicht die Anzahl, sondern die Dateiendung ist das Problem. Bei Bedarf bitte speichern und die Endung löschen.
@DerWelcherDurstHat:
Für den Ventilauslauf brauchte ich ein starres Rohr, damit es beim Einsetzen der Flasche nicht (wie ein Schlauch) abknickt. Eine Röhre aus einem Abfüllröhrchen mit Ventil lag griffbereit (weil es nicht zufriedenstellend funktionierte

)
Das Magnetventil hat einen (nicht genutzten) Überlauf mit einem Silkonschlauch. Davon habe ich ein kurzes Stück abgeschnitten und in das Abfüllröhrchen geschoben. Seit dem tropft nichts mehr nach. Die Säule hält sich.

- Fuellrohr.jpg (26.58 KiB) 8313 mal betrachtet
Wenn noch was unklar ist bitte melden.
greets vom hofbrauer