Tristans erste Brauanlage

Hier können Braubegeisterte ihre selbstgebastelten Heimbrauanlagen in Bild und "Ton" vorstellen.
fctriesel
Posting Klettermax
Posting Klettermax
Beiträge: 158
Registriert: Donnerstag 4. Oktober 2018, 14:07
Wohnort: Oberhessen

Tristans erste Brauanlage

#1

Beitrag von fctriesel »

Gude!

Nachdem ich Ende letzens Jahres das Bierbrauen für mich entdeckt habe möchte ich meine erste Brauanlage und deren weitere Entwicklung zeigen.

Provisorisch habe ich mich zunächst in der Waschküche eingerichtet.

Brewpaganda Expert 15 Gallonen
YATO-Platte
1_Aufbau.JPG

Brewpaganda Läuterbottich 15 Gallonen mit Bodenauslass
Stino Einkochaustomat 27 Liter
2_Aufbau.JPG

Vorkriegskühlschrank mit geschreinertem Boden
Brewpaganda Gärbottich 15 Gallonen
3_Aufbau.JPG

Flaschenfee
4_Aufbau.JPG

Bekanntlicherweise hält nichts so lange wie ein Provisorium, aber das Gerücke und den daraus entstehenden Durcheinander mit den leeren Kisten gehört im nächsten Schritt abgestellt.
Es wird ein ordentlicher Brautisch mit Aluprofilen gebaut. Geplant habe ich die ganze Sache folgendermaßen:

Frontansicht:
2019-10-10 09_39_54-Window.png

Vogelperspektive:
2019-10-10 09_40_41-Window.png

CAD-Modell:
2019-10-10 08_28_01-Engineeringtool .png
Allzeit gut Sud!
Sent from my Nokia 3210
DerDallmann

Re: Tristans erste Brauanlage

#2

Beitrag von DerDallmann »

Schöne Anlage!

Ich feiere aber das hier: "Sent from my Nokia 3210"! :)
Benutzeravatar
TMT2018
Posting Junior
Posting Junior
Beiträge: 73
Registriert: Freitag 8. Februar 2019, 11:27
Wohnort: 38464 Groß Twülpstedt
Kontaktdaten:

Re: Tristans erste Brauanlage

#3

Beitrag von TMT2018 »

Sehr schön.
Jo, Nokia... geil. Hahahaa
MFG Torben
fctriesel
Posting Klettermax
Posting Klettermax
Beiträge: 158
Registriert: Donnerstag 4. Oktober 2018, 14:07
Wohnort: Oberhessen

Re: Tristans erste Brauanlage

#4

Beitrag von fctriesel »

Es wird so langsam. Das Gestell für den Brautisch ist fertig. :Smile
Der provisorische Brautisch hat zwar einige Sude gute Dienste geleistet, aber die Tage sind gezählt. :thumbsup
DSC_2012.JPG
Jetzt warte ich auf die bestellten Siebdruckplatten, der Holzzuschnitt im Baumarkt hat hier leider auf unbestimmte Zeit geschlossen.
Sent from my Nokia 3210
Benutzeravatar
bigfoot47
Posting Klettermax
Posting Klettermax
Beiträge: 100
Registriert: Sonntag 12. März 2017, 01:05

Re: Tristans erste Brauanlage

#5

Beitrag von bigfoot47 »

Sieht schon mal sehr professionell aus! Für den „Einstieg“ ziemlich cool.
Gruß Raphael :Greets

Instagram: raabbraeu
HubertBräu
Posting Freak
Posting Freak
Beiträge: 1542
Registriert: Montag 27. März 2017, 11:56
Wohnort: Berlin

Re: Tristans erste Brauanlage

#6

Beitrag von HubertBräu »

Die Bosch Profile sind schon eine coole Sache :thumbup
fctriesel
Posting Klettermax
Posting Klettermax
Beiträge: 158
Registriert: Donnerstag 4. Oktober 2018, 14:07
Wohnort: Oberhessen

Re: Tristans erste Brauanlage

#7

Beitrag von fctriesel »

Der erste Probe sieht schonmal vielversprechend aus.
DSC_2046.JPG
DSC_2047.JPG

Hab noch eine Zusatzplatte, die ich einfach einlegen kann. So kann das Equipment in der unteren Ebene verstaut werden oder der Brautisch fungiert so als große Arbeitsplatte oder Theke oder was mir sonst noch in den Sinn kommt.
DSC_2051.JPG
Sent from my Nokia 3210
Ostfriese-1971
Posting Junior
Posting Junior
Beiträge: 14
Registriert: Donnerstag 16. Juli 2020, 09:29
Wohnort: 26670

Re: Tristans erste Brauanlage

#8

Beitrag von Ostfriese-1971 »

👍👍👍❗️👌👌👏👏🍺🍺🍺👍👍
Gruß aus Ostfriesland (Uplengen) :Greets

Günter
fctriesel
Posting Klettermax
Posting Klettermax
Beiträge: 158
Registriert: Donnerstag 4. Oktober 2018, 14:07
Wohnort: Oberhessen

Re: Tristans erste Brauanlage

#9

Beitrag von fctriesel »

Bin dran die ganzen Hähne, Anschlüsse und Fittings zusammenzustellen. Eine Herkulesaufgabe bei dem Dschungel an Typen, Normen und Gewinden... :puzz
2020-08-20 14_11_39-Bierbrauen.xlsm - Excel.png
Sent from my Nokia 3210
Benutzeravatar
Innuendo
Posting Freak
Posting Freak
Beiträge: 2491
Registriert: Freitag 2. März 2018, 09:43

Re: Tristans erste Brauanlage

#10

Beitrag von Innuendo »

Hallo,
das Gestell ist klasse! Wo hast Du die Teile fertigen lassen und was hat es gekostet? Würdest Du die Dateien zur Verfügung stellen?
fctriesel
Posting Klettermax
Posting Klettermax
Beiträge: 158
Registriert: Donnerstag 4. Oktober 2018, 14:07
Wohnort: Oberhessen

Re: Tristans erste Brauanlage

#11

Beitrag von fctriesel »

Die Aluprofile hab ich bei Motedis bestellt. Waren die billigsten die ich gefunden hatte. :Bigsmile
Aber alles einwandfrei, Genauigkeit von den Zuschnitten war top!

CAD-Datei habe ich keine, ich hab das mit Excel konstruiert und berechnet. Das 3D-Modell hab ich nur einmalig mit dem Engineeringtool bei Item gezeichnet als Probe. Ich kann im Excel die Maße aber schnell anpassen und dann kommt ne fertige Stückliste raus (Profilmaß=mm, Länge=cm):
2020-08-21 15_51_03-Microsoft Excel - Bierbrauen.xlsm.png
2020-08-21 15_51_03-Microsoft Excel - Bierbrauen.xlsm.png (17.29 KiB) 24944 mal betrachtet
Sonstiges Material:
80 Stk. Innenwinkel für die Profilverbindung
30 Stk. Winkel als Plattenhalter
50 Stk. Nutensteine für Winkel- und Räderbefestigung

Rechnung: 266,40€, ca. 50% davon für das sonstige Material. Die machen das Teil eigentlich erst teuer... :puzz


Plus einige Schrauben und die Räder noch. Platten sind 168x60cm (unten), 60x42cm (mitte), 66x60cm (oben links), 60x60cm (Einlegeboden oben mitte) und 42x60cm (oben rechts).
Sent from my Nokia 3210
Benutzeravatar
Innuendo
Posting Freak
Posting Freak
Beiträge: 2491
Registriert: Freitag 2. März 2018, 09:43

Re: Tristans erste Brauanlage

#12

Beitrag von Innuendo »

Vielen Dank für Deine Mühe!
fctriesel
Posting Klettermax
Posting Klettermax
Beiträge: 158
Registriert: Donnerstag 4. Oktober 2018, 14:07
Wohnort: Oberhessen

Re: Tristans erste Brauanlage

#13

Beitrag von fctriesel »

Die neuen Fittinge sind da. :Smile
Das Paket von Crafthardware war nach handgestoppten 24 Stunden und 27 Minuten in meinen Händen. :thumbsup
DSC_2077.JPG
Es fehlen jetzt noch die Läuterpumpe und neue Silikonschläuche.
Sent from my Nokia 3210
Quasihodo
Posting Junior
Posting Junior
Beiträge: 66
Registriert: Sonntag 26. April 2015, 18:59

Re: Tristans erste Brauanlage

#14

Beitrag von Quasihodo »

Hast du das voll beladen schon getestet?
Eventuell solltest du mittig noch eine Rolle montieren, biegt sich das vordere untere Aluprofil nicht durch?
Gruß
Markus
fctriesel
Posting Klettermax
Posting Klettermax
Beiträge: 158
Registriert: Donnerstag 4. Oktober 2018, 14:07
Wohnort: Oberhessen

Re: Tristans erste Brauanlage

#15

Beitrag von fctriesel »

Ich hab mich nur mal mit meinen schmächtigen 105kg drauf gestellt. :Bigsmile

Hier die vereinfachten Berechnungsergebnisse für eine Last von 300kg. Ich der Realität ist das stabiler, aber so detailliert übersteigt meine Fähigkeiten. Bin auf Nummer sicher gegangen, daher unten die 60er-Profile.
2020-08-27 08_23_09-Bierbrauen.xlsm - Excel.png
Sent from my Nokia 3210
Benutzeravatar
Innuendo
Posting Freak
Posting Freak
Beiträge: 2491
Registriert: Freitag 2. März 2018, 09:43

Re: Tristans erste Brauanlage

#16

Beitrag von Innuendo »

Der Aufbau der zwei Auflager lässt sich vereinfacht als Einspannung interpretieren (Freiheitsgrade). Dann wäre die Durchbiegung f3y 10,38mm bei einer Einzellast von 1500N (ca. 150kg) bzw. als konstante Flächenlast auf 1680mm. Der Lastabtrag geschieht über 2x 60x30 Profile auf 4 Rollen. Die Rollen können laut Webseite mit jeweils 60kg belastet werden. Wenn wir die Flächenlast unter der Annahme der halbwegs gleichmäßigen Verteilung auf die zwei Tragprofile zu 50:50 verteilen, dann liegt die max Durchbiegung bei rund 5mm.
fctriesel
Posting Klettermax
Posting Klettermax
Beiträge: 158
Registriert: Donnerstag 4. Oktober 2018, 14:07
Wohnort: Oberhessen

Re: Tristans erste Brauanlage

#17

Beitrag von fctriesel »

So war auch mein Gedankengang.
Durch das eine durchgehende Profil auf der Oberseite, das noch ein wenig Druckspannung aufnehmen kann, sollte sich durch Durchbiegung bei den Tragprofilen noch verringern.
Sent from my Nokia 3210
Benutzeravatar
Innuendo
Posting Freak
Posting Freak
Beiträge: 2491
Registriert: Freitag 2. März 2018, 09:43

Re: Tristans erste Brauanlage

#18

Beitrag von Innuendo »

Ich denke, dass kann man vernachlässigen. Dann müsste man sich mit Biege- und Torsionsmomenten beschäftigen, was bei der Verschraubung eher wenig bringt. Auch die Siebdruckplatten können ein bissl aufnehmen. Bringt aber unterm Strich nicht viel.
Die max Durchbiegung sollte sich nach dem Abmaischen während der Läuterruhe einstellen, wenn also fast mittig die größte Last aufliegt. Auf dem Bild von fcriesel glaube ich den brewpaganda 68 Liter Kessel zu erkennen. Diese 70 Liter können wir auf 168cm hin und her schieben, aber mehr kann es eigentlich nicht werden. Hinzu kommen die Gewichte der Kessel und Geräte. Die 150kg Lastannahme hat aus meiner Sicht schon sehr viel Sicherheit. fcriesel hat ein 3.5kW Induktionsfeld mit Kessel, Läuterbottich und Nachguss als Basis für ein Gestell gesetzt. Hier ist rein physikalisch bei ca. 70 Liter Volumen Schluss. Wer größer braut muss andere Lasten annehmen.
Benutzeravatar
Innuendo
Posting Freak
Posting Freak
Beiträge: 2491
Registriert: Freitag 2. März 2018, 09:43

Re: Tristans erste Brauanlage

#19

Beitrag von Innuendo »

Interessant wäre noch eine Stromanschlussleiste für das Braugestell. Kennt da jemand eine Standardlösung? Eine Leiste mit 2 oder 3x C14 oder 1x C19 auf 3x CEE Schukobuchse. Die Schukobuchsen müssen nur einzeln auf die C14 oder die Phasen von C19 verdrahtet sein.
fctriesel
Posting Klettermax
Posting Klettermax
Beiträge: 158
Registriert: Donnerstag 4. Oktober 2018, 14:07
Wohnort: Oberhessen

Re: Tristans erste Brauanlage

#20

Beitrag von fctriesel »

Im Moment hab ich nen 15 Gallonen-Topf von Brewpaganda. Von den Maßen ist das Gestell so gemacht, dass bei Bedarf auch ne Anlage für 30 Gallonen passen würde. Wenns Gewicht dann zu hoch sein würde mach in wirklich in der Mitte noch Rollen drunter.

Bei der Elektrik bin ich gerade am Tüfteln. Im Monment sieht der Plan so aus, da ich im Keller Dreiphasenwechselstrom habe:
Verteiler https://www.reichelt.de/verteiler-10-mo ... ol_3&nbc=1
CEE-Stecker https://www.reichelt.de/cee-stecker-400 ... ol_1&nbc=1
Gummi-Schlauchleitung https://www.reichelt.de/anschlussleitun ... ol_1&nbc=1
Fehlerstromschutz-Schalter https://www.reichelt.de/fehlerstromschu ... os_2&nbc=1
Anbausteckdose https://www.reichelt.de/schutzkontakt-a ... ol_3&nbc=1
12V Netzteil https://www.reichelt.de/schaltnetzteil- ... l_19&nbc=1

Was mir noch Kopfschmerzen macht ist die 12V-Seite. Pumpe, Rührwerk, Brüdenabzug. Evtl. nen Kühllüfter für das Rührwerk. PWM-Regelung für Rührwerk und Pumpe? Bedienelement? Welche Steckverbindung für die 12V-Verbraucher? Da weiß ich noch nicht wirklich was ich alles brauchen will. :Ahh
Sent from my Nokia 3210
Benutzeravatar
Innuendo
Posting Freak
Posting Freak
Beiträge: 2491
Registriert: Freitag 2. März 2018, 09:43

Re: Tristans erste Brauanlage

#21

Beitrag von Innuendo »

Beim Rührwerk schau bei brewpaganda. Das passt ziemlich gut zusammen. Beim Netzteil hab ich ein 12V Meanwell Hutschienennetzteil mit einem einfachen DC PWM Modul genommen.
Bei den Pumpen kann ich Dir die kleine Rotek empfehlen.Statt einer Tülle am 1/2" Kugelhahn am Kessel setzt Du ein Camlock. Das passende Gegenstück auf die Pumpe.In gleicher Weise mit einem Stück Schlauch dazwischen stellst Du die Verbindung vom Läuterbottich und Pumpe her. Auch hier ist ein 24V Netzteil und ein PWM Modul.

Wenn die Netzteile in dem Verteiler von Dir an der Wand hängen, hast Du auch das Problemchen, dass neben Strom ein mehradriges Kabel für die Steuerung an den Brautisch geleitet werden muss.
fctriesel
Posting Klettermax
Posting Klettermax
Beiträge: 158
Registriert: Donnerstag 4. Oktober 2018, 14:07
Wohnort: Oberhessen

Re: Tristans erste Brauanlage

#22

Beitrag von fctriesel »

Camlock und Rotek hab ich schon dran. Ich werde wohl einen Verteiler machen mit den o.g. Komponenten machen, von dort dann 12V als reine Versorungsspannung auf einen kleinen Kasten am Brautisch mit den Bedienelementen und Ausgängen für die Verbraucher.
Mit Kopfzerbrechen meinte ich welche Verbraucher ich an der 12V-Seite vorsehe. Bevor ich dann in 8 Wochen das Ding wieder zerrupfe...

Oder ich mach doch alles in einen Kasten am Brautisch. Oder alles an die Wand, weil so oft werde ich da nicht einstellen müssen. Ich weiß noch nicht... :crying
Sent from my Nokia 3210
Benutzeravatar
Innuendo
Posting Freak
Posting Freak
Beiträge: 2491
Registriert: Freitag 2. März 2018, 09:43

Re: Tristans erste Brauanlage

#23

Beitrag von Innuendo »

Eine ganz pragmatische Lösung für 3 Phasen zum Brautisch ist Schuko an C14:
D5DDE837-4A35-497E-A7AD-B6BB2DEB12A2.jpeg
fctriesel
Posting Klettermax
Posting Klettermax
Beiträge: 158
Registriert: Donnerstag 4. Oktober 2018, 14:07
Wohnort: Oberhessen

Re: Tristans erste Brauanlage

#24

Beitrag von fctriesel »

Was sind das denn für blaue Gehäuse?
Sent from my Nokia 3210
Benutzeravatar
Innuendo
Posting Freak
Posting Freak
Beiträge: 2491
Registriert: Freitag 2. März 2018, 09:43

Re: Tristans erste Brauanlage

#25

Beitrag von Innuendo »

Power Switch Case C14 for 3030 Aluminum Profiles - ich hatte nur noch blaues Filament :redhead
Gestern sind meine Profile eingetroffen. Es ist zwar noch viel zu tun, aber es schaut schon fast wie ein Brautisch aus
Brautisch.jpg
Brautisch.jpg (103.39 KiB) 23990 mal betrachtet
Nochmals vielen Dank für die Idee und das Teilen der Infos :thumbup
fctriesel
Posting Klettermax
Posting Klettermax
Beiträge: 158
Registriert: Donnerstag 4. Oktober 2018, 14:07
Wohnort: Oberhessen

Re: Tristans erste Brauanlage

#26

Beitrag von fctriesel »

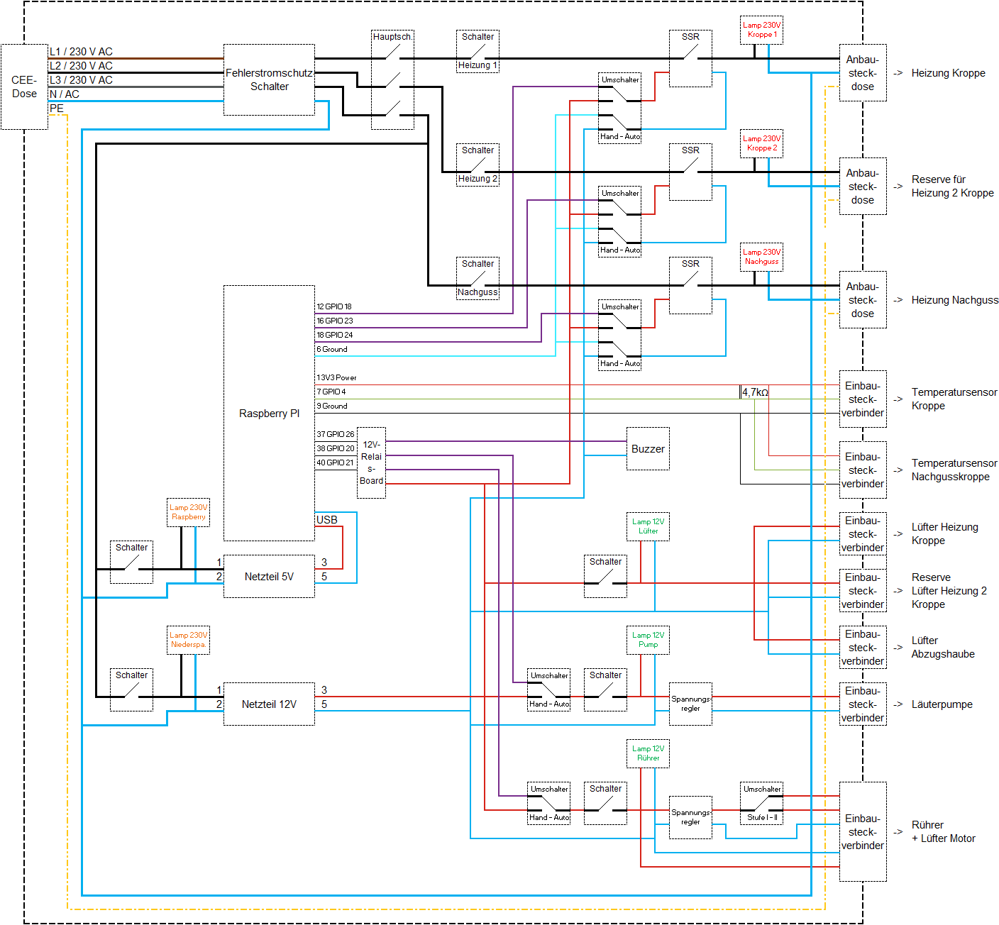
Eigentlich wollte ich ja nur eine einfache Stromversorgung machen. Eigentlich, war letztes Wochenende bei einem anderen Hobbybrauer und habe seine Steuerung auf Basis einer Siemens Logo in Aktion gesehen... :Ahh

Jetzt will ich das auch haben, aber auf Basis von einem Rasberry PI.

Hier mein Schaltplan:
Brauerei_Schaltp99lan.png
Sent from my Nokia 3210
Benutzeravatar
Innuendo
Posting Freak
Posting Freak
Beiträge: 2491
Registriert: Freitag 2. März 2018, 09:43

Re: Tristans erste Brauanlage

#27

Beitrag von Innuendo »

Du willst jeden Aktor auch ohne Raspi schalten können? Schaut interessant aus!
Schau Dir noch die die inital states der GPIOs beim Booten an. Soweit ich mich erinnere sind bei RaspberryPi alle GPIOs Inputs, 0 bis 8 pull up und der Rest pull down aktiviert.
Innu
fctriesel
Posting Klettermax
Posting Klettermax
Beiträge: 158
Registriert: Donnerstag 4. Oktober 2018, 14:07
Wohnort: Oberhessen

Re: Tristans erste Brauanlage

#28

Beitrag von fctriesel »

Genau, die Fallbackebene mit Handbetrieb möchte ich auf jeden Fall, damit ich bei Problemen mit dem Raspi das ganze noch manuell bedienen kann.
Oder ich erst in einem Jahr fähig bin das Ding zu konfigurieren. :puzz
Aber ein Schritt nach dem anderen.

Wo ich mir noch nicht sicher bin ist die Stromversorgung, nicht dass ich dann nachher durch die Induktionsplatte und asymetrischer Last den Nullleiter grille...
Sent from my Nokia 3210
Benutzeravatar
Innuendo
Posting Freak
Posting Freak
Beiträge: 2491
Registriert: Freitag 2. März 2018, 09:43

Re: Tristans erste Brauanlage

#29

Beitrag von Innuendo »

Für den manuellen Brautag muss Du an ein analoges Thermometer denken. Das ist so ein Ding zum in die Hand nehmen :Bigsmile
Den RaspberryPi mit CraftbeerPi einrichten ist nicht so schwierig. Hier ist eine Doku für die Installation mit aktuellen OS Versionen. Meiner schaut so aus, hat aber Deine Fallback Ebene "manuelles schalten" nicht.
raspi2.png
raspi2.png (164.07 KiB) 23331 mal betrachtet
raspi3.jpg
raspi3.jpg (47.07 KiB) 23331 mal betrachtet
fctriesel
Posting Klettermax
Posting Klettermax
Beiträge: 158
Registriert: Donnerstag 4. Oktober 2018, 14:07
Wohnort: Oberhessen

Re: Tristans erste Brauanlage

#30

Beitrag von fctriesel »

Manuell thermometern muss ich selten dank Expert-Kroppe von Brewpaganda. :thumbsup

Danke für das Bild, merke ich muss Kabelschuhe auf die Einkaufliste setzen.
Sent from my Nokia 3210
fctriesel
Posting Klettermax
Posting Klettermax
Beiträge: 158
Registriert: Donnerstag 4. Oktober 2018, 14:07
Wohnort: Oberhessen

Re: Tristans erste Brauanlage

#31

Beitrag von fctriesel »

Für die Anordnung der Schalter und Lampen gibts auch schon einen Entwurf. Mit Entwürfen bin ich recht schnell, mal sehen wie das Umsetzen so dauert...

Brauerei.png
Sent from my Nokia 3210
Benutzeravatar
Innuendo
Posting Freak
Posting Freak
Beiträge: 2491
Registriert: Freitag 2. März 2018, 09:43

Re: Tristans erste Brauanlage

#32

Beitrag von Innuendo »

Gefällt mir gut und bleibt spannend, wie der Entwurf realisiert wird.
Dein Grundgedanke manuelle Steuerung gefällt mir. Statt Kippschalter wäre es alternativ ein Versuch wert, beim CBPi ohne brew steps oder beim MQTTDevice mit On/Off Buttons einen manuellen Brauprozess bspw. über ein Touchscreen zu implementieren.
Was ist "Kroppe"?
fctriesel
Posting Klettermax
Posting Klettermax
Beiträge: 158
Registriert: Donnerstag 4. Oktober 2018, 14:07
Wohnort: Oberhessen

Re: Tristans erste Brauanlage

#33

Beitrag von fctriesel »

Hast du dafür ein Beispielbild?
Innuendo hat geschrieben: Donnerstag 8. Oktober 2020, 17:16 CBPi ohne brew steps oder beim MQTTDevice mit On/Off Buttons
Kann mir darunter noch nicht so wirklich etwas vorstellen. Der Handbetrieb soll aber komplett analog ablaufen.

Ein Kroppe ist nichts anderes als ein hessisches Wort für Topf. :Bigsmile
Sent from my Nokia 3210
Benutzeravatar
Innuendo
Posting Freak
Posting Freak
Beiträge: 2491
Registriert: Freitag 2. März 2018, 09:43

Re: Tristans erste Brauanlage

#34

Beitrag von Innuendo »

Hallo Ihrs,
nach dem ersten echten Brautag mit dem Tisch aus 3030 Profilen habe ich noch eine Versteifung eingebaut: der Observatör
Das 1-Euro Teil gehört zu einem schwedischen Regal.
Mein 68l Kessel mit Maische gefüllt hat den Tisch bei maximaler Upm vom Rührwerk sichtbar in "Schwingung" gebracht. Durch 3 Stützkreuze (2x seitlich, 1x Rückseite) kann die Steifigkeit deutlich verbessert werden. Da schwingt nun nichts mehr mit, wenn das Rührwerk die Maische andreht. Alternativ gibt es bei Thingiverse 3030 extrusion brackets.
Wie immer beim Möbelmarkt aus dem Norden bleiben Schrauben über. M6 Schrauben vom Profil sind für Ivar zu groß, aber wenn man die Löcher im Oberservatör auf M6 aufgebohrt, kann mit Hammermuttern das Stützkreuz bombenfest angezogen werden. Passt wunderprächtig
Innu
fctriesel
Posting Klettermax
Posting Klettermax
Beiträge: 158
Registriert: Donnerstag 4. Oktober 2018, 14:07
Wohnort: Oberhessen

Re: Tristans erste Brauanlage

#35

Beitrag von fctriesel »

Da bin ich mal gespannt, noch rühre ich wie die Neandertaler ohne elektrische Unterstützung.
Sent from my Nokia 3210
fctriesel
Posting Klettermax
Posting Klettermax
Beiträge: 158
Registriert: Donnerstag 4. Oktober 2018, 14:07
Wohnort: Oberhessen

Re: Tristans erste Brauanlage

#36

Beitrag von fctriesel »

DSC_2204.JPG
Die ersten Elektrobauteile sind nun da. Als nächstes mal ein schönes Gehäuse aussuchen, wo das auch gut reinpasst. :thumbsup
Sent from my Nokia 3210
fctriesel
Posting Klettermax
Posting Klettermax
Beiträge: 158
Registriert: Donnerstag 4. Oktober 2018, 14:07
Wohnort: Oberhessen

Re: Tristans erste Brauanlage

#37

Beitrag von fctriesel »

So, nachdem der Kasten wegen dem großen Display eine Nummer größer wurde...
DSC_2241.JPG
Aber der Plan fürs Panel steht jetzt soweit. Nun noch einen weitern Plan machen mit den nötigen Ausschnitten. Man hat nur einen Versuch pro Kasten. :thumbsup
Brauerei_Panel_Ansicht.png
Sent from my Nokia 3210
Benutzeravatar
Birnsojjel
Posting Senior
Posting Senior
Beiträge: 300
Registriert: Samstag 2. Januar 2016, 23:30
Wohnort: Hilchenbach

Re: Tristans erste Brauanlage

#38

Beitrag von Birnsojjel »

Schöne Projektdoku :thumbup
Ich rüste auch gerade auf, vom Kfz-Verbandskasten zum Standardschaltschrank...
Allerdings werde ich statt SSRs für eine Hendi erstmal "nur" einen Einkocher ansteuern über die bestehende CBpi-Steuerung. Daher nur die Spielzeugrelais. :Smile
An der rechten Seite 4x 220v Einbaudosen
An der rechten Seite 4x 220v Einbaudosen
IMG_20201208_215426.jpg
Vorne: Hauptschalter, 4 LED für die 220v-Dosen, 2 LED für die 12 v-Anschlüsse (die fehlen noch über den 220v-Dosen an der Seite ), LED und Schalter für den Gehäuselüfter. 7"Display Raspi.
IMG_20201208_215244.jpg
Links: Lüfter 12v
IMG_20201208_215441.jpg
Unten: 220v Eingang (Kaltgerätestecker).
2 Stück nur deshalb, weil ich den ersten zu tief angesetzt habe, er ist dann zu nah am Montageblech :redhead
2x XLR für die Temperatursensoren.

Erstaunlicherweise sind die geborten Löcher nicht immer in einer Linie :Ahh.
These: es liegt am Bohrer, trotz vorboren Haut der 10mmBohrer raus. Naja, ich werde es verschmerzen.

Jetzt kommt der spannende Teil mit der Verkabelung. Die Einzelteile sind bestellt, ich werde überwiegend auf hutschiene montieren mit einem 5v-Netzteil für den Raspi und einem 12v-Netzteil für den Lüfter, das Rührwerk und ggf. eine Pumpe. Ich werde noch einen Leitungsschutzschalter einbauen, man weiß ja nie...
Als 12v-Verbinder werde ich wie bisher auch Hohlstecker und Buchsen verwenden, obwohl solche für 5A schwer zu finden waren (für das Rührwerk).
Mal schauen, wie es klappt.
@innu: da hätte ich mir ja mal besser noch deine Steuerung angeschaut, als ich die Hebebühne abgeholt habe :Smile

Danke für die vielen Ideen :thumbup
Gruß, Thomas
Benutzeravatar
Bitter
Posting Freak
Posting Freak
Beiträge: 1222
Registriert: Samstag 19. September 2015, 15:32
Wohnort: Bochum

Re: Tristans erste Brauanlage

#39

Beitrag von Bitter »

Hallo Thomas,

die Ausfräsungen für den Kaltgeräteeinbaustecker sehen nach C14 aus, die sind nur für max.10A zugelassen. Du solltest auf jeden Fall Stecker und Einbaubuchse nach C19/20 verwenden, die vertragen bis 16A!

Falls ich mit meiner Beobachtung daneben liege, kannst du diesen Post getrost vergessen!

Gruß Lothar
Arduino "All in One" Versionen stets aktuell auf meiner Homepage BierImPott.de
Beschreibung der AiO-ESP32-Bluetooth mit IDS2-Unterstützung
Benutzeravatar
Birnsojjel
Posting Senior
Posting Senior
Beiträge: 300
Registriert: Samstag 2. Januar 2016, 23:30
Wohnort: Hilchenbach

Re: Tristans erste Brauanlage

#40

Beitrag von Birnsojjel »

Hallo Lothar,
vielen Dank für deinen Hinweis! Ich werde die Beschreibung checken... Ich habe totalen Respekt vor Menschen, die sich mit diesen Dingen auskennen. Zum Glück kenne ich jemand von denen und werde die Steuerung natürlich vor der Inbetriebnahme durchchecken lassen.
Gruß, Thomas
Benutzeravatar
slimcase
Posting Freak
Posting Freak
Beiträge: 532
Registriert: Donnerstag 21. Januar 2021, 00:18

Re: Tristans erste Brauanlage

#41

Beitrag von slimcase »

fctriesel hat geschrieben: Dienstag 10. November 2020, 13:19 DSC_2204.JPG
Die ersten Elektrobauteile sind nun da. Als nächstes mal ein schönes Gehäuse aussuchen, wo das auch gut reinpasst. :thumbsup
Schönes Projekt... auf das fertige Pult bin ich schon gespannt...

Darf ich fragen was das für Lampen sind ? Die farbigen ?

Grüße

Danilo
Lieben Gruß
Danilo
------------
Meine Hardware:
AiO Brausteuerung
AiO Gärschrank
Flaschenspüler aus Kupfer
YATO 3,5kW Induktionsplatte
HENDI 3500 Induktionsplatte
50/70 Liter Pfanne von Brauhardware
Kühlspirale Twin 20
fctriesel
Posting Klettermax
Posting Klettermax
Beiträge: 158
Registriert: Donnerstag 4. Oktober 2018, 14:07
Wohnort: Oberhessen

Re: Tristans erste Brauanlage

#42

Beitrag von fctriesel »

slimcase hat geschrieben: Montag 1. Februar 2021, 19:02 Schönes Projekt... auf das fertige Pult bin ich schon gespannt...

Darf ich fragen was das für Lampen sind ? Die farbigen ?
Ich auch. Es zieht sich dank anderer Projekte. :Bigsmile :Pulpfiction

https://www.amazon.de/gp/product/B077K5 ... CLC9&psc=1
https://www.amazon.de/gp/product/B077KB ... CLC9&psc=1
https://www.amazon.de/gp/product/B07CWX ... UTF8&psc=1
Sent from my Nokia 3210
Benutzeravatar
slimcase
Posting Freak
Posting Freak
Beiträge: 532
Registriert: Donnerstag 21. Januar 2021, 00:18

Re: Tristans erste Brauanlage

#43

Beitrag von slimcase »

Danke für die Links :)

Ich hoffe du bleibst trotzdem dranne. Falls meine Steuerung demnächst fertig wird, werde ich dich mit Bildern motivieren :)
Lieben Gruß
Danilo
------------
Meine Hardware:
AiO Brausteuerung
AiO Gärschrank
Flaschenspüler aus Kupfer
YATO 3,5kW Induktionsplatte
HENDI 3500 Induktionsplatte
50/70 Liter Pfanne von Brauhardware
Kühlspirale Twin 20
fctriesel
Posting Klettermax
Posting Klettermax
Beiträge: 158
Registriert: Donnerstag 4. Oktober 2018, 14:07
Wohnort: Oberhessen

Re: Tristans erste Brauanlage

#44

Beitrag von fctriesel »

In der Planung bin ich genauer als in der Ausführung, gerade ist was anderes. Aber so langsam wird das was. :Bigsmile
DSC_2356.JPG
Sent from my Nokia 3210
fctriesel
Posting Klettermax
Posting Klettermax
Beiträge: 158
Registriert: Donnerstag 4. Oktober 2018, 14:07
Wohnort: Oberhessen

Re: Tristans erste Brauanlage

#45

Beitrag von fctriesel »

Mühsam ernährt sich das Eichhörnchen. Aber die Front ist soweit fertig, evtl. kommt noch ein Buzzer dahin. Aber da ich Mehrere gekauft habe wird erstmal getestet welcher besser ist.
DSC_2361.JPG
DSC_2362.JPG
Sent from my Nokia 3210
Holgisun
Neuling
Neuling
Beiträge: 1
Registriert: Sonntag 26. Juli 2020, 12:29

Re: Tristans erste Brauanlage

#46

Beitrag von Holgisun »

Hiho
tolle Dokumentation bis dahin, weiter so.
Ich bin grad auf gleichen Weg wie Du und suche Anregungen, deshalb folgende Frage... geht es bei dir weiter ab dem läutern? Ich hab gesehen Du hast am Läuterbottich schon was angebaut. Wo, womit, und wie pumpst Du es wieder hoch?

Grüße Holger
Benutzeravatar
slimcase
Posting Freak
Posting Freak
Beiträge: 532
Registriert: Donnerstag 21. Januar 2021, 00:18

Re: Tristans erste Brauanlage

#47

Beitrag von slimcase »

Schön, dass es voran geht.

Das mit der USB Buchse ist eine super Idee, ich glaube das werde ich bei meiner Steuerung noch nachfeaturen :)

Freu mich schon darauf zu sehen wie es weiter geht.
Lieben Gruß
Danilo
------------
Meine Hardware:
AiO Brausteuerung
AiO Gärschrank
Flaschenspüler aus Kupfer
YATO 3,5kW Induktionsplatte
HENDI 3500 Induktionsplatte
50/70 Liter Pfanne von Brauhardware
Kühlspirale Twin 20
fctriesel
Posting Klettermax
Posting Klettermax
Beiträge: 158
Registriert: Donnerstag 4. Oktober 2018, 14:07
Wohnort: Oberhessen

Re: Tristans erste Brauanlage

#48

Beitrag von fctriesel »

Holgisun hat geschrieben: Sonntag 28. Februar 2021, 19:29 geht es bei dir weiter ab dem läutern? Ich hab gesehen Du hast am Läuterbottich schon was angebaut. Wo, womit, und wie pumpst Du es wieder hoch?
Ich habe die kleine Pumpe von Rotek, die wird über Camlock am Läuterhahn angeschlossen.



Das Gehäuse ist soweit fertig, sogar der Raspi und der Bildschirm funktionieren noch. :Bigsmile
Habe noch ein HDMI-Winkelstecker bestellt, der Beeper steht leider etwas vor dem Anschluss am Bildschirm...
Die Signalleuchten sind leider etwas nah an den Ein-Aus-Schaltern und der unteren Verrieglung, das ist etwas unergonomisch beim Bedienen. Shit happens, nur deswegen lohnt es sich aber nicht die Kiste nochmal zu bauen.

Aber sonst bin ich erstmal zufrieden. Jetzt die Kiste noch verkabeln...
DSC_2376.JPG
DSC_2375.JPG
DSC_2373.JPG
DSC_2372.JPG
DSC_2366.JPG
Sent from my Nokia 3210
Benutzeravatar
slimcase
Posting Freak
Posting Freak
Beiträge: 532
Registriert: Donnerstag 21. Januar 2021, 00:18

Re: Tristans erste Brauanlage

#49

Beitrag von slimcase »

Jetzt kommt der Kabelsalatteil und der Moment in dem ich realisiert habe, dass mein case zu klein gewählt war. Ich hoffe dieser Moment bleibt dir erspart :) Aber es sieht ja schon recht geräumig aus.

Gutes voran kommen weiterhin !
Lieben Gruß
Danilo
------------
Meine Hardware:
AiO Brausteuerung
AiO Gärschrank
Flaschenspüler aus Kupfer
YATO 3,5kW Induktionsplatte
HENDI 3500 Induktionsplatte
50/70 Liter Pfanne von Brauhardware
Kühlspirale Twin 20
fctriesel
Posting Klettermax
Posting Klettermax
Beiträge: 158
Registriert: Donnerstag 4. Oktober 2018, 14:07
Wohnort: Oberhessen

Re: Tristans erste Brauanlage

#50

Beitrag von fctriesel »

Ich habe die Größe aber nur wegen dem Touchscreen so gewählt, ansonsten hätte ich auch ne Nummer kleiner genommen. :Bigsmile

Die ersten Adern sind vercrimpt und verlegt, nun suche ich die beste Postion für die Hutschinen.
DSC_2392.JPG
Sent from my Nokia 3210
Antworten