Pimp my Weck mit Arduino
- Kirk1701
- Posting Freak

- Beiträge: 3549
- Registriert: Montag 30. November 2009, 00:49
- Wohnort: Hannover
Pimp my Weck mit Arduino
Hallo zusammen,
ich wollte hier mal das Projekt Kornkammer vorstellen das 2008/2009 entstanden ist. In der Zeit war noch lange nicht an den Silvercrest oder gar den Profi Cook Einkocher zu denken. Das Maß der Dinge war der Weck Einkocher.
Das Projekt Kornkammer entstand in der Zeit der Wirtschaftskrise in der aufeinmal eine Gruppe von Ingenieuren viel Zeit hatte um eine kleine automatisierte Brauanlage zu entwickeln.
Es sollte eine digitale Steuerung geben und das Läutern sollte auch ohne Windeln funktionieren. Kurz, vom Malz einfüllen bis zum Läutern sollte alles automatisch ablaufen.
Zur Automatisierung sollte der Arduino mit SD-Shield dienen. Somit konnte man schon mal loggen und das Rezept auf SD speicher.
Das war unsere Hardware auf die wir dann aufgebaut haben. Das letzte Rezept bleibt immer im Speicher. Damit die Temperatur beim Maischen auch gut getroffen werden kann mußte die Hysterese in 0.1 Grad Schritten angepaßt werden. Das wurde dann in der Menüführung integriert.
Der Brauregler bekam somit drei Funktionen, Brauregler, Thermostat und Temperturlogger für die Gärführung.
Und die Untermenüs
Hysterese einstellen
Los gehts
Erste Rast erreicht.
Somit war der Regler eigentlich fertig.
Nun die nächste Aufgabe. Um aus dem Weck Einkocher läutern zu können brauchten wird ein Vernüftiges Läutersystem. Wir sind dann ganz schnell auf den Panzerschlauch gekommen. Nun war noch die Fragen wie man den am günstigsten anschließt. Prinzipell gibts es ja zwei Möglichkeiten, T-Stück oder Winkel.
Also T-Stück und Winkel besorgt und ausprobiert. Dabei war außen am Hahn natürlich noch ein Schlauch angeschlossen. Somit konnte über das Schwerkraftsprinzip das Wasser auch den Berg hoch fließen.
Bild mit T-Stück
Bild Winkel
https://youtu.be/3KXUiDM9JS4
Bei dem T-Stück blieb doch fast ein ganzer Liter im Einkocher zurück weswegen wir uns dann für den Winkel entschieden hatten.
Zusammengebaut sah es dann so aus
Das Rührwerk wurde von unten im Einkocher integriert. Der Rührflügel könnte einigen bekannt vorkommen :-)
Der Temperatursensor sitzt in der kleinen Hülse die in die Aufnahme eingeschraubt ist.
Der Prototyp könnte nun ausgiebig getestet werden und erwies sich als zuverlässig.
https://youtu.be/GZQGAerQSOs
Hier mal ein Log von einem Weizenbier. Am Wochenende hatte ich das Teil mal wieder rausgeholt um in Schwülper einen Sud damit zu machen. Der Log wird in eine Excel lesbare Datei geschrieben. Da kann man dann ein schönes Diagramm draus erstellen.
Das Log Intervall kann im Menü eingestellt werden. Leider kann dafür nur eine SD-Karte mit maximal 2GB Größe verwendet werden. Die SD-Karte muß dazu mit FAT 16 formatiert sein.
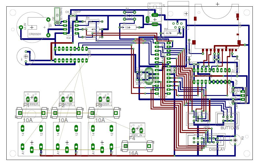
Da der Aufbau des Braureglers doch recht wild aussah erstellten wir auch noch ein Layout von einem Arduino mit SD-Shield und RTC.
Bild vom Layout
Leider ist das Layout dann doch nicht 100% fertig geworden da wir uns nicht zwischen Relais und SSR entscheiden konnten. Weiter haben wir das Projekt dann nicht mehr getrieben da die "Krise" vorbei war und wir wieder alle in unserem Hauptjob eingespannt waren.
Wer den Brauregler mal ausprobieren möchte kann sich gerne die fertige Datei mal in seinen Arduino flashen. Leider existiert nur noch ein Hex von dem Code :-(
Bei Interesse am besten eine PN da ich das Hex hier nicht hochladen kann.
Heute würden wir das Projekt wohl mit dem Raspberry Pi verwirklichen. Arduino + SD RTC Shield kommt wohl preislich genau beim Raspberry Pi raus.
Kirk
ich wollte hier mal das Projekt Kornkammer vorstellen das 2008/2009 entstanden ist. In der Zeit war noch lange nicht an den Silvercrest oder gar den Profi Cook Einkocher zu denken. Das Maß der Dinge war der Weck Einkocher.
Das Projekt Kornkammer entstand in der Zeit der Wirtschaftskrise in der aufeinmal eine Gruppe von Ingenieuren viel Zeit hatte um eine kleine automatisierte Brauanlage zu entwickeln.
Es sollte eine digitale Steuerung geben und das Läutern sollte auch ohne Windeln funktionieren. Kurz, vom Malz einfüllen bis zum Läutern sollte alles automatisch ablaufen.
Zur Automatisierung sollte der Arduino mit SD-Shield dienen. Somit konnte man schon mal loggen und das Rezept auf SD speicher.
Das war unsere Hardware auf die wir dann aufgebaut haben. Das letzte Rezept bleibt immer im Speicher. Damit die Temperatur beim Maischen auch gut getroffen werden kann mußte die Hysterese in 0.1 Grad Schritten angepaßt werden. Das wurde dann in der Menüführung integriert.
Der Brauregler bekam somit drei Funktionen, Brauregler, Thermostat und Temperturlogger für die Gärführung.
Und die Untermenüs
Hysterese einstellen
Los gehts
Erste Rast erreicht.
Somit war der Regler eigentlich fertig.
Nun die nächste Aufgabe. Um aus dem Weck Einkocher läutern zu können brauchten wird ein Vernüftiges Läutersystem. Wir sind dann ganz schnell auf den Panzerschlauch gekommen. Nun war noch die Fragen wie man den am günstigsten anschließt. Prinzipell gibts es ja zwei Möglichkeiten, T-Stück oder Winkel.
Also T-Stück und Winkel besorgt und ausprobiert. Dabei war außen am Hahn natürlich noch ein Schlauch angeschlossen. Somit konnte über das Schwerkraftsprinzip das Wasser auch den Berg hoch fließen.
Bild mit T-Stück
Bild Winkel
https://youtu.be/3KXUiDM9JS4
Bei dem T-Stück blieb doch fast ein ganzer Liter im Einkocher zurück weswegen wir uns dann für den Winkel entschieden hatten.
Zusammengebaut sah es dann so aus
Das Rührwerk wurde von unten im Einkocher integriert. Der Rührflügel könnte einigen bekannt vorkommen :-)
Der Temperatursensor sitzt in der kleinen Hülse die in die Aufnahme eingeschraubt ist.
Der Prototyp könnte nun ausgiebig getestet werden und erwies sich als zuverlässig.
https://youtu.be/GZQGAerQSOs
Hier mal ein Log von einem Weizenbier. Am Wochenende hatte ich das Teil mal wieder rausgeholt um in Schwülper einen Sud damit zu machen. Der Log wird in eine Excel lesbare Datei geschrieben. Da kann man dann ein schönes Diagramm draus erstellen.
Das Log Intervall kann im Menü eingestellt werden. Leider kann dafür nur eine SD-Karte mit maximal 2GB Größe verwendet werden. Die SD-Karte muß dazu mit FAT 16 formatiert sein.
Da der Aufbau des Braureglers doch recht wild aussah erstellten wir auch noch ein Layout von einem Arduino mit SD-Shield und RTC.
Bild vom Layout
Leider ist das Layout dann doch nicht 100% fertig geworden da wir uns nicht zwischen Relais und SSR entscheiden konnten. Weiter haben wir das Projekt dann nicht mehr getrieben da die "Krise" vorbei war und wir wieder alle in unserem Hauptjob eingespannt waren.
Wer den Brauregler mal ausprobieren möchte kann sich gerne die fertige Datei mal in seinen Arduino flashen. Leider existiert nur noch ein Hex von dem Code :-(
Bei Interesse am besten eine PN da ich das Hex hier nicht hochladen kann.
Heute würden wir das Projekt wohl mit dem Raspberry Pi verwirklichen. Arduino + SD RTC Shield kommt wohl preislich genau beim Raspberry Pi raus.
Kirk
Zuletzt geändert von Kirk1701 am Samstag 7. Mai 2016, 22:04, insgesamt 4-mal geändert.
Wir machen selber Bier!
Mein Kanal , Sudhaus Schwülper - zum Blog sponsored by Adam´s Hardware - Das Original Darf gerne von B- und C- Hardware kopiert werden.
Mein Kanal , Sudhaus Schwülper - zum Blog sponsored by Adam´s Hardware - Das Original Darf gerne von B- und C- Hardware kopiert werden.
- Kirk1701
- Posting Freak

- Beiträge: 3549
- Registriert: Montag 30. November 2009, 00:49
- Wohnort: Hannover
Re: Pimp my Weck mit Arduino
Okay,
man muß ein Zip von machen...dann gehts.
Kirk
man muß ein Zip von machen...dann gehts.
Kirk
Wir machen selber Bier!
Mein Kanal , Sudhaus Schwülper - zum Blog sponsored by Adam´s Hardware - Das Original Darf gerne von B- und C- Hardware kopiert werden.
Mein Kanal , Sudhaus Schwülper - zum Blog sponsored by Adam´s Hardware - Das Original Darf gerne von B- und C- Hardware kopiert werden.
Re: Pimp my Weck mit Arduino
Cooles Teil; ich bin derzeit an einem ganz ähnlichen Konzept, nur sieht das bei mir derzeit noch so aus:


Bin noch nicht ganz so weit... ist erst ein einziges Relais verbaut und die Software ist für den Sud gestern nicht mehr fertiggeworden, so ist es immer noch "nur" ein Temperaturlogger bisher... Warte noch auf zusätzliche Teile, die ich aus China bestellen will.
Konnte es mir aber jetzt nicht verkneifen, mir noch das hier zu kaufen um dem Teil noch WLAN zu geben in Zukunft :)
Als Temperatursensor habt ihr wohl auch den DS18B20 genommen? Kann ihn auf dem Schema nicht finden... Habt ihr einen einzelnen Sensor? Ich überlege mir bereits, auch schon für das Maischen einen zweiten hinzuzuziehen.
Finde den Arduino als Plattform für mich passend, weil hier die Lösung der Komplexität des Problems angepasst ist. Muss ja nicht gerade wieder eine ganze Linuxdistro laufen, nur um meinen Topf auf 68 Grad zu halten
Schade, dass der Code weg ist. Hätte mir das gerne angeschaut.


Bin noch nicht ganz so weit... ist erst ein einziges Relais verbaut und die Software ist für den Sud gestern nicht mehr fertiggeworden, so ist es immer noch "nur" ein Temperaturlogger bisher... Warte noch auf zusätzliche Teile, die ich aus China bestellen will.
Konnte es mir aber jetzt nicht verkneifen, mir noch das hier zu kaufen um dem Teil noch WLAN zu geben in Zukunft :)
Als Temperatursensor habt ihr wohl auch den DS18B20 genommen? Kann ihn auf dem Schema nicht finden... Habt ihr einen einzelnen Sensor? Ich überlege mir bereits, auch schon für das Maischen einen zweiten hinzuzuziehen.
Finde den Arduino als Plattform für mich passend, weil hier die Lösung der Komplexität des Problems angepasst ist. Muss ja nicht gerade wieder eine ganze Linuxdistro laufen, nur um meinen Topf auf 68 Grad zu halten
Schade, dass der Code weg ist. Hätte mir das gerne angeschaut.
- Kirk1701
- Posting Freak

- Beiträge: 3549
- Registriert: Montag 30. November 2009, 00:49
- Wohnort: Hannover
Re: Pimp my Weck mit Arduino
Hallo dvizard,
ja es ist der weit verbreitete Dallas Temperatursensor verbaut. Welchen Arduino verwendest du? Bei dem 328 paßt rein garnichts mehr in den Speicher mit dem SD-Shield. Was hast du mit dem W-LAN Modul vor?
Kirk
ja es ist der weit verbreitete Dallas Temperatursensor verbaut. Welchen Arduino verwendest du? Bei dem 328 paßt rein garnichts mehr in den Speicher mit dem SD-Shield. Was hast du mit dem W-LAN Modul vor?
Kirk
Wir machen selber Bier!
Mein Kanal , Sudhaus Schwülper - zum Blog sponsored by Adam´s Hardware - Das Original Darf gerne von B- und C- Hardware kopiert werden.
Mein Kanal , Sudhaus Schwülper - zum Blog sponsored by Adam´s Hardware - Das Original Darf gerne von B- und C- Hardware kopiert werden.
Re: Pimp my Weck mit Arduino
Hallo,
schönes Gerät! Tut mir leid wenn ich jetzt von deiner schönen Steuerung ablenke, aber mich würde das Rührwerk interessieren. Wie wird die Welle abgedichtet und wo hast du die Lagerblöcke her? Das würde sich in meinem Weck evtl. auch ganz gut machen ;)
schönes Gerät! Tut mir leid wenn ich jetzt von deiner schönen Steuerung ablenke, aber mich würde das Rührwerk interessieren. Wie wird die Welle abgedichtet und wo hast du die Lagerblöcke her? Das würde sich in meinem Weck evtl. auch ganz gut machen ;)
Re: Pimp my Weck mit Arduino
Ich hab den Mega genommen, einerseits weil ich ihn eh schon zuhause hatte und andererseits kostet er aus China 10$, das macht den Braten auch nicht fett. Dafür habe ich Speicher und Pins ohne Ende, und zusätzliche Pin-Interrupts.Kirk1701 hat geschrieben:Hallo dvizard,
ja es ist der weit verbreitete Dallas Temperatursensor verbaut. Welchen Arduino verwendest du? Bei dem 328 paßt rein garnichts mehr in den Speicher mit dem SD-Shield. Was hast du mit dem W-LAN Modul vor?
Kirk
Mit dem WLAN-Modul ist das vermutlich mehr eine Spielerei, aber ich kann ihn ja z.B. die Gärtemperatur online irgendwo loggen lassen, oder die Einstellungen fernkonfigurierbar machen (ob der das selber serven könnte oder ob er pollen müsste, müsste ich aber noch sehen.)
- Kirk1701
- Posting Freak

- Beiträge: 3549
- Registriert: Montag 30. November 2009, 00:49
- Wohnort: Hannover
Re: Pimp my Weck mit Arduino
Hallo rmerk,rmerk hat geschrieben:Hallo,
schönes Gerät! Tut mir leid wenn ich jetzt von deiner schönen Steuerung ablenke, aber mich würde das Rührwerk interessieren. Wie wird die Welle abgedichtet und wo hast du die Lagerblöcke her? Das würde sich in meinem Weck evtl. auch ganz gut machen ;)
das ganze darf ja nix kosten :-) Deswegen ist die Welle als Gleitlager mit O-RIngen ausgelegt. Die Zeichnungen habe ich noch irgendwo. Die sind nicht dem Plattencrash zum Opfer gefallen.
Kirk
Wir machen selber Bier!
Mein Kanal , Sudhaus Schwülper - zum Blog sponsored by Adam´s Hardware - Das Original Darf gerne von B- und C- Hardware kopiert werden.
Mein Kanal , Sudhaus Schwülper - zum Blog sponsored by Adam´s Hardware - Das Original Darf gerne von B- und C- Hardware kopiert werden.
Re: Pimp my Weck mit Arduino
Sehr schön, Danke für die Auskunft!
Re: Pimp my Weck mit Arduino
Aber was ich trotzdem nicht verstehe, ist denn der Rührmotor in diesem Teil unten drin? Wie wird der denn überhaupt gespiesen?
- Kirk1701
- Posting Freak

- Beiträge: 3549
- Registriert: Montag 30. November 2009, 00:49
- Wohnort: Hannover
Re: Pimp my Weck mit Arduino
Hi dvizard,
ja klar sitzt der Motor unten drin. Wo auch sonst :-) Dafür mußte der Trockengehschutz und das Peil Thermostat weichen. Dann ist genug Platz vorhanden.
Kirk
ja klar sitzt der Motor unten drin. Wo auch sonst :-) Dafür mußte der Trockengehschutz und das Peil Thermostat weichen. Dann ist genug Platz vorhanden.
Kirk
Wir machen selber Bier!
Mein Kanal , Sudhaus Schwülper - zum Blog sponsored by Adam´s Hardware - Das Original Darf gerne von B- und C- Hardware kopiert werden.
Mein Kanal , Sudhaus Schwülper - zum Blog sponsored by Adam´s Hardware - Das Original Darf gerne von B- und C- Hardware kopiert werden.
Re: Pimp my Weck mit Arduino
Hi Kirk,
mal eine Frage: du hast bestimmt deine Steuerung auch für die Gärung eingesetzt, oder? Also um einen Kühlschrank zu schalten...
Ich teste gerade die Funktion, und habe das Problem, dass mir zwischendrin immer wieder mal die Schaltung abkackt, wenn das Relais AUS geht (das LCD zeigt nur noch Zeichenwirrwarr etc.) Habe woanders (Reddit r/arduino) schon um Hilfe gefragt und es wurde mir geraten, einen Kondensator über die Eingangsspannung zu legen - 220 uF helfen aber bisher nicht. Eine Empfehlung war, ein SSR zu verwenden, was mich aber ziemlich ärgern würde (da ich zusätzliche mechanische Relais bereits aus China bestellt habe und darauf warte.) Kennst du das Problem oder ein ähnliches Problem? Was hast du dagegen gemacht?
mal eine Frage: du hast bestimmt deine Steuerung auch für die Gärung eingesetzt, oder? Also um einen Kühlschrank zu schalten...
Ich teste gerade die Funktion, und habe das Problem, dass mir zwischendrin immer wieder mal die Schaltung abkackt, wenn das Relais AUS geht (das LCD zeigt nur noch Zeichenwirrwarr etc.) Habe woanders (Reddit r/arduino) schon um Hilfe gefragt und es wurde mir geraten, einen Kondensator über die Eingangsspannung zu legen - 220 uF helfen aber bisher nicht. Eine Empfehlung war, ein SSR zu verwenden, was mich aber ziemlich ärgern würde (da ich zusätzliche mechanische Relais bereits aus China bestellt habe und darauf warte.) Kennst du das Problem oder ein ähnliches Problem? Was hast du dagegen gemacht?
Re: Pimp my Weck mit Arduino
Hallo Kirk
Sehr interessantes Projekt! Könntest du mir zeigen, wie du die Drehdurchführung für dein Rührwerk realisiert hast?
Also die Lagerung der Konstruktion würde mich sehr interessieren, die Abdichtung der Welle, wo du den Motor untergebracht hast, etc.
Merci
Gruss
Link21
Sehr interessantes Projekt! Könntest du mir zeigen, wie du die Drehdurchführung für dein Rührwerk realisiert hast?
Also die Lagerung der Konstruktion würde mich sehr interessieren, die Abdichtung der Welle, wo du den Motor untergebracht hast, etc.
Merci
Gruss
Link21
- Kirk1701
- Posting Freak

- Beiträge: 3549
- Registriert: Montag 30. November 2009, 00:49
- Wohnort: Hannover
Re: Pimp my Weck mit Arduino
Hallo dvizard,dvizard hat geschrieben:Hi Kirk,
mal eine Frage: du hast bestimmt deine Steuerung auch für die Gärung eingesetzt, oder? Also um einen Kühlschrank zu schalten...
Ich teste gerade die Funktion, und habe das Problem, dass mir zwischendrin immer wieder mal die Schaltung abkackt, wenn das Relais AUS geht (das LCD zeigt nur noch Zeichenwirrwarr etc.) Habe woanders (Reddit r/arduino) schon um Hilfe gefragt und es wurde mir geraten, einen Kondensator über die Eingangsspannung zu legen - 220 uF helfen aber bisher nicht. Eine Empfehlung war, ein SSR zu verwenden, was mich aber ziemlich ärgern würde (da ich zusätzliche mechanische Relais bereits aus China bestellt habe und darauf warte.) Kennst du das Problem oder ein ähnliches Problem? Was hast du dagegen gemacht?
wie hast du denn dein Setup aufgebaut? Als erstes mal ist der Spannungsregler auf der Platine mit dem 20x4 Display schon überfordert. Du müßtest also extern mit einem 5V 2A Netzteil die Spannungsversorgung sichern. Ich hatte das Problem auch immer wenn ich die Platine nur an USB hängen gehabt habe. Außerdem gehört noch eine Freilaufdiode zwischen Arduino Ausgang und Relais Eingang.
Am besten verwendest du eine Treiberstufe wie den ULN2803. Den habe ich z.B. verwendet.
Kirk
Wir machen selber Bier!
Mein Kanal , Sudhaus Schwülper - zum Blog sponsored by Adam´s Hardware - Das Original Darf gerne von B- und C- Hardware kopiert werden.
Mein Kanal , Sudhaus Schwülper - zum Blog sponsored by Adam´s Hardware - Das Original Darf gerne von B- und C- Hardware kopiert werden.
- Kirk1701
- Posting Freak

- Beiträge: 3549
- Registriert: Montag 30. November 2009, 00:49
- Wohnort: Hannover
Re: Pimp my Weck mit Arduino
Hallo Link21,Link21 hat geschrieben:Hallo Kirk
Sehr interessantes Projekt! Könntest du mir zeigen, wie du die Drehdurchführung für dein Rührwerk realisiert hast?
Also die Lagerung der Konstruktion würde mich sehr interessieren, die Abdichtung der Welle, wo du den Motor untergebracht hast, etc.
Merci
Gruss
Link21
das ist einfach als Gleitlager ausgelegt. Auf die Welle noch drei O-Ringe und das wars :-)
Kirk
Wir machen selber Bier!
Mein Kanal , Sudhaus Schwülper - zum Blog sponsored by Adam´s Hardware - Das Original Darf gerne von B- und C- Hardware kopiert werden.
Mein Kanal , Sudhaus Schwülper - zum Blog sponsored by Adam´s Hardware - Das Original Darf gerne von B- und C- Hardware kopiert werden.
Re: Pimp my Weck mit Arduino
Hi Kirk,Kirk1701 hat geschrieben: Hallo dvizard,
wie hast du denn dein Setup aufgebaut? Als erstes mal ist der Spannungsregler auf der Platine mit dem 20x4 Display schon überfordert. Du müßtest also extern mit einem 5V 2A Netzteil die Spannungsversorgung sichern. Ich hatte das Problem auch immer wenn ich die Platine nur an USB hängen gehabt habe. Außerdem gehört noch eine Freilaufdiode zwischen Arduino Ausgang und Relais Eingang.
Am besten verwendest du eine Treiberstufe wie den ULN2803. Den habe ich z.B. verwendet.
Kirk
ich merke gerade, was ich für ein Faillord bin... Ich hatte nach gewissen Problemen von einem 5V-USB-Netzteil auf ein 12V-Steckernetzteil gewechselt, das rumlag (was schlussendlich nicht die Ursache für mein Problem war, aber ich habs dann dabei belassen) - jetzt sehe ich, dass das arme Ding gerade nur 200 mA mag :( Da kommt man schon nur mit den 70 mA Nennstrom für die Spule fast ins Rattern (ohne zu beachten, dass der Strom beim Umschalten höher sein wird). Komisch, dass beim reinen Testbetrieb ohne Last nie ein Problem auftrat.
Mein Display ist ein 16x2; aber wie gesagt hatte ich damit sonst noch keine Probleme... Die Freilaufdiode sollte darum kein Problem sein, weil ich ein fertiges Relaismodul verwende. Da sollte eigentlich eine drauf sein, auch wenn ich aufgrund der SMD-Bauform der Bauteile diese nicht klar identifizieren kann.
Aber dann kann ich mir von einer besseren Stromversorgung doch einiges erhoffen. Kann mir ehrlich gesagt nicht vorstellen, dass da gerade 2A nötig sind - schaden wird's aber auf keinen Fall :)
- Kirk1701
- Posting Freak

- Beiträge: 3549
- Registriert: Montag 30. November 2009, 00:49
- Wohnort: Hannover
Re: Pimp my Weck mit Arduino
Da konnte ich mir auch keinen Reim drauf machen. Aber mit dem 5V Netz direkt auf die Platine gings danndvizard hat geschrieben: Komisch, dass beim reinen Testbetrieb ohne Last nie ein Problem auftrat.
Kirk
Wir machen selber Bier!
Mein Kanal , Sudhaus Schwülper - zum Blog sponsored by Adam´s Hardware - Das Original Darf gerne von B- und C- Hardware kopiert werden.
Mein Kanal , Sudhaus Schwülper - zum Blog sponsored by Adam´s Hardware - Das Original Darf gerne von B- und C- Hardware kopiert werden.
Re: Pimp my Weck mit Arduino
Kirk1701 hat geschrieben:Hallo Link21,Link21 hat geschrieben:Hallo Kirk
Sehr interessantes Projekt! Könntest du mir zeigen, wie du die Drehdurchführung für dein Rührwerk realisiert hast?
Also die Lagerung der Konstruktion würde mich sehr interessieren, die Abdichtung der Welle, wo du den Motor untergebracht hast, etc.
Merci
Gruss
Link21
das ist einfach als Gleitlager ausgelegt. Auf die Welle noch drei O-Ringe und das wars :-)
Kirk
Das Rührwerk von unten gefällt mir sehr gut. Hat es sich bewährt?
Und das Gleitlager, hast du da ein paar Links zu den Teilen?
Danke!
MIchael
- Kirk1701
- Posting Freak

- Beiträge: 3549
- Registriert: Montag 30. November 2009, 00:49
- Wohnort: Hannover
Re: Pimp my Weck mit Arduino
Hallo Michael,
Die Teile sind alle selber gefertigt. Das war die Vorlage für das Rührwerk Starter und funktioniert somit ausgezeichnet.
Kirk
Die Teile sind alle selber gefertigt. Das war die Vorlage für das Rührwerk Starter und funktioniert somit ausgezeichnet.
Kirk
Wir machen selber Bier!
Mein Kanal , Sudhaus Schwülper - zum Blog sponsored by Adam´s Hardware - Das Original Darf gerne von B- und C- Hardware kopiert werden.
Mein Kanal , Sudhaus Schwülper - zum Blog sponsored by Adam´s Hardware - Das Original Darf gerne von B- und C- Hardware kopiert werden.
Re: Pimp my Weck mit Arduino
Hi,Kirk1701 hat geschrieben:Da konnte ich mir auch keinen Reim drauf machen. Aber mit dem 5V Netz direkt auf die Platine gings danndvizard hat geschrieben: Komisch, dass beim reinen Testbetrieb ohne Last nie ein Problem auftrat.![]()
Kirk
ich verzweifle hier gerade ein bisschen. Mir raucht das LCD (und nur das LCD) immer noch ab und ich verstehe nicht warum.
Ich habe den Arduino mit Knöpfen und LCD an Netzteil 1 (12V 1.5A über den Stromeingang des Arduino) und das Relaismodul an Netzteil 2 (5V 1.5A), die Grounds verbunden, und vom Relaismodul die Steuerleitung an das Arduinomodul angeschlossen. Zwischen Relais-Steuereingang und Ground noch einen 1000 uF Kondensator gemacht. Die Relaisplatine hat Dioden drauf. Trotzdem passiert es regelmässig, dass beim Ausschalten des Relais das LCD wirre Zeichen anzuzeigen beginnt. Die Steuerung läuft eigentlich weiter (ich teste mit Eintauchen in ein Eisbad und Aufheizen in der Hand, und es schaltet weiterhin ein und aus), aber es reicht wohl für das LCD, kurz irgend ein halbes Müllbyte zu bekommen irgendwo, und dann beginnt es zu scrollen und Müll anzuzeigen. Aber so richtig schlau werde ich daraus nicht. Ist das evtl tatsächlich ein elektromagnetischer Effekt durch das Relais selber? Ein Rückstrom durch die Steuerleitung kann doch kaum das Problem sein...
Re: Pimp my Weck mit Arduino
Klingt als ob ein Pullup fehlt oder du verwendest einen IO Port der nicht richtig gesetzt ist.
Kontrolliere mal ob du alle IO pins mit pinMode wirklich richtig gesetzt hast! Pullup aktiv?
Kontrolliere mal ob du alle IO pins mit pinMode wirklich richtig gesetzt hast! Pullup aktiv?
dvizard hat geschrieben:Hi,Kirk1701 hat geschrieben:Da konnte ich mir auch keinen Reim drauf machen. Aber mit dem 5V Netz direkt auf die Platine gings danndvizard hat geschrieben: Komisch, dass beim reinen Testbetrieb ohne Last nie ein Problem auftrat.![]()
Kirk
ich verzweifle hier gerade ein bisschen. Mir raucht das LCD (und nur das LCD) immer noch ab und ich verstehe nicht warum.
Ich habe den Arduino mit Knöpfen und LCD an Netzteil 1 (12V 1.5A über den Stromeingang des Arduino) und das Relaismodul an Netzteil 2 (5V 1.5A), die Grounds verbunden, und vom Relaismodul die Steuerleitung an das Arduinomodul angeschlossen. Zwischen Relais-Steuereingang und Ground noch einen 1000 uF Kondensator gemacht. Die Relaisplatine hat Dioden drauf. Trotzdem passiert es regelmässig, dass beim Ausschalten des Relais das LCD wirre Zeichen anzuzeigen beginnt. Die Steuerung läuft eigentlich weiter (ich teste mit Eintauchen in ein Eisbad und Aufheizen in der Hand, und es schaltet weiterhin ein und aus), aber es reicht wohl für das LCD, kurz irgend ein halbes Müllbyte zu bekommen irgendwo, und dann beginnt es zu scrollen und Müll anzuzeigen. Aber so richtig schlau werde ich daraus nicht. Ist das evtl tatsächlich ein elektromagnetischer Effekt durch das Relais selber? Ein Rückstrom durch die Steuerleitung kann doch kaum das Problem sein...
Re: Pimp my Weck mit Arduino
Hallo Kirk,
mich würde interessieren mit welchem Rührwerksmotor du da gearbeitet hast.
Scheibenwischmotor mit Adapter auf Messingwelle? Wenn ja, wie hast du die ohne Unwucht zusammenbekommen?
Du hast oben geschrieben, dass du von der Lagerung und Abdichtung noch Zeichnungen hast. (evtl. PN möglich, oder hier veröffentlichen?)
Hast du Langzeiterfahrung ob das dauerhaft dicht bleibt?
mich würde interessieren mit welchem Rührwerksmotor du da gearbeitet hast.
Scheibenwischmotor mit Adapter auf Messingwelle? Wenn ja, wie hast du die ohne Unwucht zusammenbekommen?
Du hast oben geschrieben, dass du von der Lagerung und Abdichtung noch Zeichnungen hast. (evtl. PN möglich, oder hier veröffentlichen?)
Hast du Langzeiterfahrung ob das dauerhaft dicht bleibt?
Grüße
Braubär
Braubär
- Kirk1701
- Posting Freak

- Beiträge: 3549
- Registriert: Montag 30. November 2009, 00:49
- Wohnort: Hannover
Re: Pimp my Weck mit Arduino
Hi Braunbär,
jetzt erst gesehen. Welche Unwucht meinst du? Ja es ist ein Wischemotor :-)
Kirk
jetzt erst gesehen. Welche Unwucht meinst du? Ja es ist ein Wischemotor :-)
Kirk
Wir machen selber Bier!
Mein Kanal , Sudhaus Schwülper - zum Blog sponsored by Adam´s Hardware - Das Original Darf gerne von B- und C- Hardware kopiert werden.
Mein Kanal , Sudhaus Schwülper - zum Blog sponsored by Adam´s Hardware - Das Original Darf gerne von B- und C- Hardware kopiert werden.

