All-in-One Arduino Brausteuerung

Benutzeravatar
saschabouchon
Posting Freak
Posting Freak
Beiträge: 964
Registriert: Freitag 28. Februar 2014, 11:27
Kontaktdaten:

All-in-One Arduino Brausteuerung

#1

Beitrag von saschabouchon »

Hallo zusammen,

Ich habe das Thema leider nicht gefunden und deshalb hole ich es mal rüber. Es geht um die all-in-One Arduino Brausteuerung, die damals von fg100 und vitivory entwickelt worden ist.

Hier der Link
http://hobbybrauer.de/modules.php?name= ... =17516#pid

Ich habe die Steuerung nachgebaut und möchte euch das Resultat zeigen.

Variante 1: mit dem Nokia Display
Hauptmenü
Hauptmenü
Rückansicht, Anschluss für den Einkocher und Temperaturfühler
Rückansicht, Anschluss für den Einkocher und Temperaturfühler
Variante 2: mit dem 20x4 Display
Die anderen Bauteile sind analog zur Variante 1 zu verwenden. In der Software wird nur der Maischprozess unterstützt. Das Hopfenkochen kann man auch mit einem Timer (Handy) berwerkstelligen.
Display 20x4
Display 20x4
Display 20x4.jpg (14.46 KiB) 53172 mal betrachtet
Hier wurde die Steuerung eingeweiht und unter "Wettkampfbedingungen" getestet. Es wurde ein Wit gebraut: viewtopic.php?p=35994#p35994

Ich bin in der Einkocherklasse unterwegs und deshalb ist die Hardware auch entsprechend ausgelegt. Ein großes Danke geht an den Hobbybrauer fg100 :thumbsup !!!

Beste Grüße
Sascha

Edit: Auch bei den 20x4 Displays gibt es verschiedene Versionen. Hier muss dann im Sketch die Adressierung entsprechend geändert werden.
Zuletzt geändert von saschabouchon am Donnerstag 28. Januar 2016, 14:42, insgesamt 27-mal geändert.
http://www.brauhardware.de
Rührwerk selber bauen, von der Einkocher- bis zur 70l Brauklasse! Läuterfreund, Edelstahlhähne etc...
fg100
Posting Freak
Posting Freak
Beiträge: 1868
Registriert: Sonntag 5. August 2012, 00:05

Re: All-in-One Arduino Brausteuerung

#2

Beitrag von fg100 »

Hi Sascha,
toll aufgebaut. So wie ich das erkenne gehst du mit einem Kabel in den USB des Arduino. Soll das die Stromversorgung des Arduino sein oder ist das nur zur Einspielung des Sketch.
Franz
Benutzeravatar
saschabouchon
Posting Freak
Posting Freak
Beiträge: 964
Registriert: Freitag 28. Februar 2014, 11:27
Kontaktdaten:

Re: All-in-One Arduino Brausteuerung

#3

Beitrag von saschabouchon »

Hallo Franz,

das ist die USB Buchse, die du siehst und damit versorge ich die Steuerung mit Strom :-). Du hast übrigens eine PN mit meinem ersten Draft der Doku...

Beste Grüße
Sascha
http://www.brauhardware.de
Rührwerk selber bauen, von der Einkocher- bis zur 70l Brauklasse! Läuterfreund, Edelstahlhähne etc...
HrXXLight
Posting Freak
Posting Freak
Beiträge: 682
Registriert: Montag 13. Januar 2014, 18:56
Wohnort: Mittelhessen
Kontaktdaten:

Re: All-in-One Arduino Brausteuerung

#4

Beitrag von HrXXLight »

Wowereit sehe erst jetzt diesen Artikels
Eine Anleitung für elektrotechnikunbegabte wie mich hört sich gut an.
Bring more funk in your beer!
Brewing with Lacto and Brett.
vitivory

Re: All-in-One Arduino Brausteuerung

#5

Beitrag von vitivory »

Hallo,

im alten Forum sind 3 Traids.

Brausteuerung mit Arduino
http://hobbybrauer.de/modules.php?name= ... &tid=15626

All-in-one Arduino Brausteuerung
http://hobbybrauer.de/modules.php?name= ... &tid=17516

All-In-One Arduino Brausteuerung News
http://hobbybrauer.de/modules.php?name= ... &tid=17852
im letzten sind Zeichnungen von Panels und Glas, die haben noch Fehler, bitte nicht benutzen.
Zeichnungen schicke ich später. Als Glas habe ich kleine Vierecke aus Plexiglas 2mm geschnitten und mit Doppelklebeband Streifen an das Frontpanel geklebt.
Hinten die Diodenbuchse für Steuerung von Handi oder Befeuerungsgerät ist falsch, die hat einen Kontakt auf das Gehäuse und die Panels müßen geärdet sein.
Jima-Me
Neuling
Neuling
Beiträge: 5
Registriert: Dienstag 23. Dezember 2014, 22:23
Wohnort: Wassenberg

Re: All-in-One Arduino Brausteuerung

#6

Beitrag von Jima-Me »

Hallo zusammen

mein Name ist Martin komme ganz aus dem Westen Deutschlands und ich beschäftige mich seit Dezember mit meinem neuen Projekt Bierbrauen. In der letzten Zeit habe ich viel geschmökert, dass heißt, meine Frau kennt mittlerweile das Layout von dieser Seite :Shocked .

So langsam habe ich auch alles an Material zusammen. Unter anderem bin ich auch auf diese Steuerung gestoßen, und habe sie kurzerhand aufgebaut (naja das Display fehlte und bei der Bestellung hatte ich ignoriert, dass 25 Tage min. 25 Tage sind :crying ). Vielen Dank an dieser Stelle nochmal für die zur Verfügung Stellung des Codes :thumbup .
Steuerung
Steuerung
Meine Anpassung war, dass ich im Gehäuse ein 12V Notebooknetzteil 3A untergebracht habe, um damit die Steuerung mit 5V als auch das Rührwerk mit 12V zu versorgen. Für das Rührwerk habe ich noch einen Schalter hinzugefügt um diesen nach belieben bedienen zu können. So habe ich alles im Gehäuse und habe Platz zum brauen. So der Plan :Wink .

Im Netzteil habe ich ein USB KFZ Lader eingebaut um die Spannung auf 5V zu wandeln. So kann ich mir eine Externe Stromversorgung per USB Kabel für die Steuerung sparen. Kann man natürlich auch im Steuerungsgehäuse unterbringen. Auf jeden Fall kann man mit einem KFZ USB Wandler so billig und einfach von 12V auf benötigte stabilisierte 5V umtransformieren.
Damit läuft alles top und es wird auch nicht zu warm.
Eigentlich wollte ich ein kombiniertes Netzteil von Pollin http://www.pollin.de/shop/dt/MDU0ODQ2OT ... _65_A.html einbauen, jedoch war damit der Rührer nur am stottern :thumbdown.

Für alle die keinen Rührer betreiben wollen reicht natürlich ein einfaches 5 Volt Netzteil (zum Beispiel ein altes Handyladekabel).
Im Inneren sieht das ganze dann so aus:
DSCF7291.JPG
Außerdem habe ich entgegen der Schaltung das Display und deren Hintergrundbeleuchtung direkt mit den 3,3V vom Arduino Nano Board versorgt.
Die 3,3 Volt liefert das Arduino Nano als auch das Adruino UNO Board.
Beide Boards sind für unsere Steuerung gleichwertig nutzbar. Nur dass die Nano Boards deutlich kleiner und günstiger ist (ca. 3€ aus Fernost).

Den Temperaturfühler habe ich über einen XLR Stecker rausgeführt und für den Rührer nutze ich eine 12V KFZ Boardsteckdose welche ich noch übrig hatte.
Die Steckdose habe ich absichtlich quer eingebaut, damit der Stecker vom Einkocher zur Seite weggeführt wird.

Wenn die Steuerung in den nächsten Wochen mal unter richtigen Bedingungen zum Einsatz kommt, werde ich nochmal berichten.

Bis dahin allen ein gutes gelingen und Prost :Drink
Martin
Zuletzt geändert von Jima-Me am Freitag 20. Februar 2015, 22:00, insgesamt 1-mal geändert.
Benutzeravatar
DerDennis
Posting Freak
Posting Freak
Beiträge: 2510
Registriert: Dienstag 26. Februar 2013, 18:12
Kontaktdaten:

Re: All-in-One Arduino Brausteuerung

#7

Beitrag von DerDennis »

Nett, sozusagen "All-In-One Brausteuerung second Edition".
Das Nokia-Display lebt mit 5V leider nicht sehr lange, ist jedenfalls meine Erfahrung.

Daher arbeite ich auch seit einiger Zeit dran, ungefähr die selbe Funktionalität plus ein GUI für nen Touchscreen auf den 32K eines kleineren Arduino unterzubringen (oder wenns nicht reicht, zur Not auf den 256K eines Arduino Mega).

Aber wie immer, zu viele Projekte parallel am Laufen, momentan steht die Portierung auf ein größeres Display aus, und eine temperaturgesteuerte Logik zum Schalten fehlt auch noch - ein funktionierender Rastentimer, manuelles Schalten, Temperaturanzeige und eine Art mini-Framework für die Benutzeroberfläche stehen bereits. Und ich warte schon seit Ewigkeiten auf ein paar SSRs aus China... Wenns dann irgendwann mal fertig ist, werd ich natürlich hier berichten (also, in einem eigenen Thread natürlich).

Grüße
*"Männer-Malzbier": Magnum/Select/Tettnanger auf 26 IBU, WLP2308, ca 70-80 EBC, 6 % vol (Nachgärung)
Benutzeravatar
saschabouchon
Posting Freak
Posting Freak
Beiträge: 964
Registriert: Freitag 28. Februar 2014, 11:27
Kontaktdaten:

Re: All-in-One Arduino Brausteuerung

#8

Beitrag von saschabouchon »

Guten Morgen zusammen,

die Doku ist fertig und kann im ersten Post eingesehen werden. Zudem kann man dort auch die Software herunterladen.

Folgende Punkte gibt es in der Doku:
Inhalt.JPG
Kritik und Anregungen sind erwünscht :Smile. Wie gesagt, ich erhebe keinen Anspruch auf Vollständigkeit / Korrektheit. Es soll lediglich als Hilfestellung dienen...und viele Wege führen nach Rom.

Beste Grüße
Sascha
http://www.brauhardware.de
Rührwerk selber bauen, von der Einkocher- bis zur 70l Brauklasse! Läuterfreund, Edelstahlhähne etc...
Valjean
Posting Junior
Posting Junior
Beiträge: 61
Registriert: Mittwoch 1. Oktober 2008, 21:25
Wohnort: Raesfeld

Re: All-in-One Arduino Brausteuerung

#9

Beitrag von Valjean »

Hallo,

kann man. Zum Beispiel andere Relais nehmen, die die 3500 W schalten können oder mit dem vorhandenen Relais ein Leistungschütz ansteuern.

Gruß
Robin
Benutzeravatar
Mastersergeant180
Posting Klettermax
Posting Klettermax
Beiträge: 229
Registriert: Sonntag 15. Februar 2015, 08:29
Wohnort: Alfalter Mittelfranken

Re: All-in-One Arduino Brausteuerung

#10

Beitrag von Mastersergeant180 »

Wenn ihr 3,5kW schalten wollte dann müsst ihr einerseits mit der Zuleitung aufpassen und der Absicherung davor. Sonst wird entweder die Leitung warm wenn sie zu lang ist oder der Leitungschutzschalter wird immer wieder in die Grätsche gehen. Bei mehr wie einem Verbraucher von 3,5 kW geht das dann eh nicht mehr, denn die Steuerung hat ja auch etwas Leistungsaufnahme.
Wer seinen Kinderglauben sich bewahrt, in einer reinen, unbefleckten Brust - und gegen das Gelächter einer Welt zu leben wagt, - wie er als Kind geträumt - bis auf den letzten Tag: das ist ein Mann!" (Henning v. Tresckow)
Benutzeravatar
saschabouchon
Posting Freak
Posting Freak
Beiträge: 964
Registriert: Freitag 28. Februar 2014, 11:27
Kontaktdaten:

Re: All-in-One Arduino Brausteuerung

#11

Beitrag von saschabouchon »

Guten Abend,

Prinzipiell geht das schon. Ich werde mal vit am
We kontaktieren. Er kann da auf jeden fall eine qualifizierte aussage zu machen!

Beste Grüße aus Warschau
http://www.brauhardware.de
Rührwerk selber bauen, von der Einkocher- bis zur 70l Brauklasse! Läuterfreund, Edelstahlhähne etc...
Carverandi

Re: All-in-One Arduino Brausteuerung

#12

Beitrag von Carverandi »

HI,

Bei den alten Beiträgen wurde damals dieses Relai verwendet: HF92F-240A-2A

zu finden z.B. bei http://www.reichelt.de/HF92F-240A-2A/3/ ... F-240A-2A+

Habe ich bei mir auch verbaut. Anschaltung über eines der Relais der Realai Karte.
Benutzeravatar
saschabouchon
Posting Freak
Posting Freak
Beiträge: 964
Registriert: Freitag 28. Februar 2014, 11:27
Kontaktdaten:

Re: All-in-One Arduino Brausteuerung

#13

Beitrag von saschabouchon »

Hi,
Das sieht gut aus! Das hatte vit glaube ich auch genommen. Hast du ein Bild von der Verdrahtung? Dann könnte ich das in die Doku mit einbauen...

Gute Nacht
Sascha
http://www.brauhardware.de
Rührwerk selber bauen, von der Einkocher- bis zur 70l Brauklasse! Läuterfreund, Edelstahlhähne etc...
Carverandi

Re: All-in-One Arduino Brausteuerung

#14

Beitrag von Carverandi »

Hier ziemlich am ende des ersten Betrags: viewtopic.php?p=29908#p29908.
Biertrinker
Posting Freak
Posting Freak
Beiträge: 1237
Registriert: Freitag 26. Mai 2006, 15:51

Re: All-in-One Arduino Brausteuerung

#15

Beitrag von Biertrinker »

DerDennis hat geschrieben:Nett, sozusagen "All-In-One Brausteuerung second Edition".
Das Nokia-Display lebt mit 5V leider nicht sehr lange, ist jedenfalls meine Erfahrung.

...
Grüße
Und warum ist das so? Zu viel oder zu wenig Spannung?

Mfg
Marco
vitivory

Re: All-in-One Arduino Brausteuerung

#16

Beitrag von vitivory »

Das Display in der A-i-O Steuerung wird mit 3,3V gespeist
Benutzeravatar
Real
Posting Junior
Posting Junior
Beiträge: 13
Registriert: Donnerstag 19. Februar 2015, 20:14
Wohnort: Essen

Re: All-in-One Arduino Brausteuerung

#17

Beitrag von Real »

Hi,

auch ein Bekannter arbeit gerade an diesem Projekt. Allerdings technisch anders gemacht.

Ich frage mich warum ihr unbedingt ein Display braucht?

(optional)Apache installieren, Temperaturwert in $Var Speichern, eine HTML/php Lösung nehmen , einlesen und via Analog oder HDMI ausgeben.

Dann könnt ihr euch das löten sparen und das Bild leichter wo anders darstellen.

Das ist keine Kritik, nur eine Idee. Wie man die Temperatur sieht, ist dabei ja egal.

Ich habe an meinem Raspberry ein billiges Display von Amazon (Rückfahrkamera) in Farbe dran. 7 Zoll.
matzesworld
Neuling
Neuling
Beiträge: 5
Registriert: Dienstag 30. Dezember 2014, 18:01

Re: All-in-One Arduino Brausteuerung

#18

Beitrag von matzesworld »

Hallo Leute,

ich habe mir das ganze Setup auch so aufgebaut, nur mit ein Arduino Nano. Auserdem hab ich das Nokia LCD V1 mit den 2x 3,3V welches ich am Arduino abgreife.
Also Stromquelle verwende ich ein 12V Netzteil, welches ich am Arduino am "VIN" angeschlossen haben.
Ich habe nur ein problem damit. Sobald der Arduino die Spannung an den Relais anlegt, bricht die 5V versorgung zusammen auf 3,3 V. Bei den Relais leuchtet dann zwar das licht, aber sie schalten nicht (zu wenig Spannung).
Betreibe ich das ganz über den USB, funktioniert das alles reibungslos.

Hat jemand eine Idee woran das liegen könnte ?

Vielen Dank schon mal...
Benutzeravatar
DerDennis
Posting Freak
Posting Freak
Beiträge: 2510
Registriert: Dienstag 26. Februar 2013, 18:12
Kontaktdaten:

Re: All-in-One Arduino Brausteuerung

#19

Beitrag von DerDennis »

@matzesworld: es liegt an der Spannungsversorgung, der on-Board-Spannungsregler des Arduino Nano hat einfach nicht genug "Saft". Lösung: häng das Relais an eine eigene 5V-Stromversorgung...

@vit: Ja, die Hintergrundbeleuchtung hängt an 3,3V, und der Rest? Egal das Nokia LCD ist einfach Sch***e. Mir sind mindestens drei Stück kaputtgegangen, einfach "von selbst"... für das Geld kriegt man auch ein gescheites LCD mit besserer Auflösung und Hintergrundbeleuchtung :Wink

@Biertrinker: 5V sind zu viel Spannung (bzw. eventuell ist es einfach schlechte Qualität des LCDs? Auslegungssache)

Grüße
Zuletzt geändert von DerDennis am Sonntag 22. Februar 2015, 19:17, insgesamt 1-mal geändert.
*"Männer-Malzbier": Magnum/Select/Tettnanger auf 26 IBU, WLP2308, ca 70-80 EBC, 6 % vol (Nachgärung)
fg100
Posting Freak
Posting Freak
Beiträge: 1868
Registriert: Sonntag 5. August 2012, 00:05

Re: All-in-One Arduino Brausteuerung

#20

Beitrag von fg100 »

Ich würde mal darauf tippen, dass dein Netzteil zu schwach ist. Welchen Ausgangsstrom hat es. So min. 600mA sollte es schon haben.
fg100
Posting Freak
Posting Freak
Beiträge: 1868
Registriert: Sonntag 5. August 2012, 00:05

Re: All-in-One Arduino Brausteuerung

#21

Beitrag von fg100 »

DerDennis hat geschrieben:Ja, die Hintergrundbeleuchtung hängt an 3,3V, und der Rest? Egal das Nokia LCD ist einfach Sch***e. Mir sind mindestens drei Stück kaputtgegangen, einfach "von selbst"... für das Geld kriegt man auch ein gescheites LCD mit besserer Auflösung und Hintergrundbeleuchtung
Kann ich nicht bestätigen. Ich hab das LCD für verschiedene Anwendungen alle bei 5V laufen und bisher noch keinen Ausfall. Zur Not würde auch ein Level-Shifter helfen. Ist aber dann doch viel Aufwand.

Habe Sascha auch den Sketch für ein 20x4 LCD gegeben. Ggf. erstellt er ja auch eine Anleitung hierfür.
Benutzeravatar
DerDennis
Posting Freak
Posting Freak
Beiträge: 2510
Registriert: Dienstag 26. Februar 2013, 18:12
Kontaktdaten:

Re: All-in-One Arduino Brausteuerung

#22

Beitrag von DerDennis »

fg100 hat geschrieben:Ich würde mal darauf tippen, dass dein Netzteil zu schwach ist. Welchen Ausgangsstrom hat es. So min. 600mA sollte es schon haben.
Nee, selbst wenn man ein 1A-Netzteil dranhängt - der Spannungsregler auf dem Nano kann einfach nicht genug Saft liefern. Ich kenn das, hatte das Problem auch bei Verwendung eines Nano. Natürlich muss das Netzteil ausreichend dimensioniert sein, keine Frage - aber wenn das Relais vom Spannungsregler des Nano versorgt wird kann das unabhängig vom Netzteil einfach nicht funktionieren.

Und nochmal zum Nokia-Display: ich brauch keine Bestätigung, wenn mir drei so Dinger kaputtgehen, aber danke.

Grüße
*"Männer-Malzbier": Magnum/Select/Tettnanger auf 26 IBU, WLP2308, ca 70-80 EBC, 6 % vol (Nachgärung)
Benutzeravatar
saschabouchon
Posting Freak
Posting Freak
Beiträge: 964
Registriert: Freitag 28. Februar 2014, 11:27
Kontaktdaten:

Re: All-in-One Arduino Brausteuerung

#23

Beitrag von saschabouchon »

Hi,

Vllt liegt es ja auch am Nano? Mit dem uno geht es bei mir sehr gut und das Display geht auch nicht aus. Ob die Haltbarkeit ein Problem ist kann ich nicht sagen...

Ich habe dieses Display bestellt und von Franz auch den dazugehörigen Sketch gekriegt. Ich finde das Display sieht robuster aus und wirkt wertiger. Wenns geht kann ich die doku gerne anpassen/ergänzen.
http://www.ebay.de/itm/2004-LCD-Display ... 3cea943ebc

Beste Grüße
Sascha
Zuletzt geändert von saschabouchon am Sonntag 22. Februar 2015, 19:53, insgesamt 1-mal geändert.
http://www.brauhardware.de
Rührwerk selber bauen, von der Einkocher- bis zur 70l Brauklasse! Läuterfreund, Edelstahlhähne etc...
matzesworld
Neuling
Neuling
Beiträge: 5
Registriert: Dienstag 30. Dezember 2014, 18:01

Re: All-in-One Arduino Brausteuerung

#24

Beitrag von matzesworld »

Also das Netzteil kann es nicht sein, das liefet bei 12V - 3A.
Muss ich mir jetzt nur für die Relais eine extra 5V versorgung bauen ?
Benutzeravatar
HarryHdf
Posting Freak
Posting Freak
Beiträge: 1293
Registriert: Freitag 25. Mai 2012, 19:52

Re: All-in-One Arduino Brausteuerung

#25

Beitrag von HarryHdf »

Real hat geschrieben:auch ein Bekannter arbeit gerade an diesem Projekt. Allerdings technisch anders gemacht.
Ich frage mich warum ihr unbedingt ein Display braucht?
(optional)Apache installieren, Temperaturwert in $Var Speichern, eine HTML/php Lösung nehmen , einlesen und via Analog oder HDMI ausgeben.
Genau die gleichen Fragen hatte ich auch, was mich dazu geführt hat.
Real hat geschrieben: Dann könnt ihr euch das löten sparen und das Bild leichter wo anders darstellen.
So ganz ohne Löten wird es wohl nie gehen :Wink
mögen die IBU mit euch sein, Harry

Was kümmert mich mein Geschwätz von gestern, nichts hindert mich, weiser zu werden. (K. Adenauer)
Jima-Me
Neuling
Neuling
Beiträge: 5
Registriert: Dienstag 23. Dezember 2014, 22:23
Wohnort: Wassenberg

Re: All-in-One Arduino Brausteuerung

#26

Beitrag von Jima-Me »

Hallo matzesworld
Warum nimmst du nicht einfach einen Spannungsregler 7805 und wadelst dir die 12 Volt runter auf 5 Volt. Dann sollte es mit den Relais klappen und du brauchst kein neues Netzteil.

Ich habe es genauso gemacht, siehe oben.
Da ich aber nicht so viel rumbraten wollte, habe ich ein Autolade Adapter fürs Handy genommen (2€) und an die 12Volt angeschlossen. So habe ich feine 5 Volt mit 1,5 Amper am Ausgang.
matzesworld hat geschrieben: Ich habe nur ein problem damit. Sobald der Arduino die Spannung an den Relais anlegt, bricht die 5V versorgung zusammen auf 3,3 V. Bei den Relais leuchtet dann zwar das licht, aber sie schalten nicht (zu wenig Spannung).
Betreibe ich das ganz über den USB, funktioniert das alles.
Vielleicht könnte es bei dir so einfach und schnell funktionieren.
Gruss Martin
matzesworld
Neuling
Neuling
Beiträge: 5
Registriert: Dienstag 30. Dezember 2014, 18:01

Re: All-in-One Arduino Brausteuerung

#27

Beitrag von matzesworld »

Ich habe gestern noch etwas nachgemessen, und es liegt wirklich an den Relais, die ziehen alleine im angeschalteten Zustand bei 5V ca. 130 mA.
Wenn ich die über ein externes Netzteil versorge bleibt die Schaltung stabil und funktioniert.

Der Tip mit dem USB-KFZ Adapter ist prima, werd mir einen besorgen und einbauen, der braucht auch nicht viel Platz. :-)
Vielen Dank !!!
fg100
Posting Freak
Posting Freak
Beiträge: 1868
Registriert: Sonntag 5. August 2012, 00:05

Re: All-in-One Arduino Brausteuerung

#28

Beitrag von fg100 »

Der Arduino Ausgang liefert max. ca. 40mA. Die üblicherweise für Arduino verkauften Relais bleiben darunter und mit denen geht es dann auch. Anscheinend hast du hier Stärkere.
Benutzeravatar
saschabouchon
Posting Freak
Posting Freak
Beiträge: 964
Registriert: Freitag 28. Februar 2014, 11:27
Kontaktdaten:

Re: All-in-One Arduino Brausteuerung

#29

Beitrag von saschabouchon »

Hallo Freunde der E-Technik,

zur obigen Doku würde ich gerne eine Ergänzung anhängen, damit man ebenfalls die Hendi Platte steuern kann. Kann ein Fachkundiger das Bild richtig und sinnvoll verdrahten, damit es funktioniert?
steuerung mit hendi.JPG
Danke und beste Grüße
Sascha
http://www.brauhardware.de
Rührwerk selber bauen, von der Einkocher- bis zur 70l Brauklasse! Läuterfreund, Edelstahlhähne etc...
vitivory

Re: All-in-One Arduino Brausteuerung

#30

Beitrag von vitivory »

Skitze_2.jpg
Skitze_2.jpg (94.56 KiB) 54532 mal betrachtet
Benutzeravatar
saschabouchon
Posting Freak
Posting Freak
Beiträge: 964
Registriert: Freitag 28. Februar 2014, 11:27
Kontaktdaten:

Re: All-in-One Arduino Brausteuerung

#31

Beitrag von saschabouchon »

Hi Vit,

Sei mir nicht böse, aber das verstehe ich nicht ;-)! Da sind ja noch Lüsterklemmen, Netzteile, etc. zwischen. Wohin gehen die roten Striche, was ist das für ein Bauteil? Mir wäre eine Verdrahtung aus Post 30 lieb, ist dann auch zur doku konsistent. Dürfte für dich evtl. Ne schnelle Sache sein :Angel

Beste Grüße
Sascha
http://www.brauhardware.de
Rührwerk selber bauen, von der Einkocher- bis zur 70l Brauklasse! Läuterfreund, Edelstahlhähne etc...
Benutzeravatar
diapolo
Posting Freak
Posting Freak
Beiträge: 1560
Registriert: Montag 27. Januar 2014, 19:12
Wohnort: nähe Nürnberg
Kontaktdaten:

Re: All-in-One Arduino Brausteuerung

#32

Beitrag von diapolo »

Hi,
so sollte es klappen

Du musst dann nur noch das Umsetzrelais mit 5V und 0V von Arduino versorgen geschalten wird über 5V an Pin D6 oder Pin D7

mfg

Bernd
Dateianhänge
Verschaltung arduino.jpg
"Ich mag Bier, du magst Bier"
Quaterback 40 "Ich mag Bier"
http://www.raitersaicher.de
Benutzeravatar
DerDennis
Posting Freak
Posting Freak
Beiträge: 2510
Registriert: Dienstag 26. Februar 2013, 18:12
Kontaktdaten:

Re: All-in-One Arduino Brausteuerung

#33

Beitrag von DerDennis »

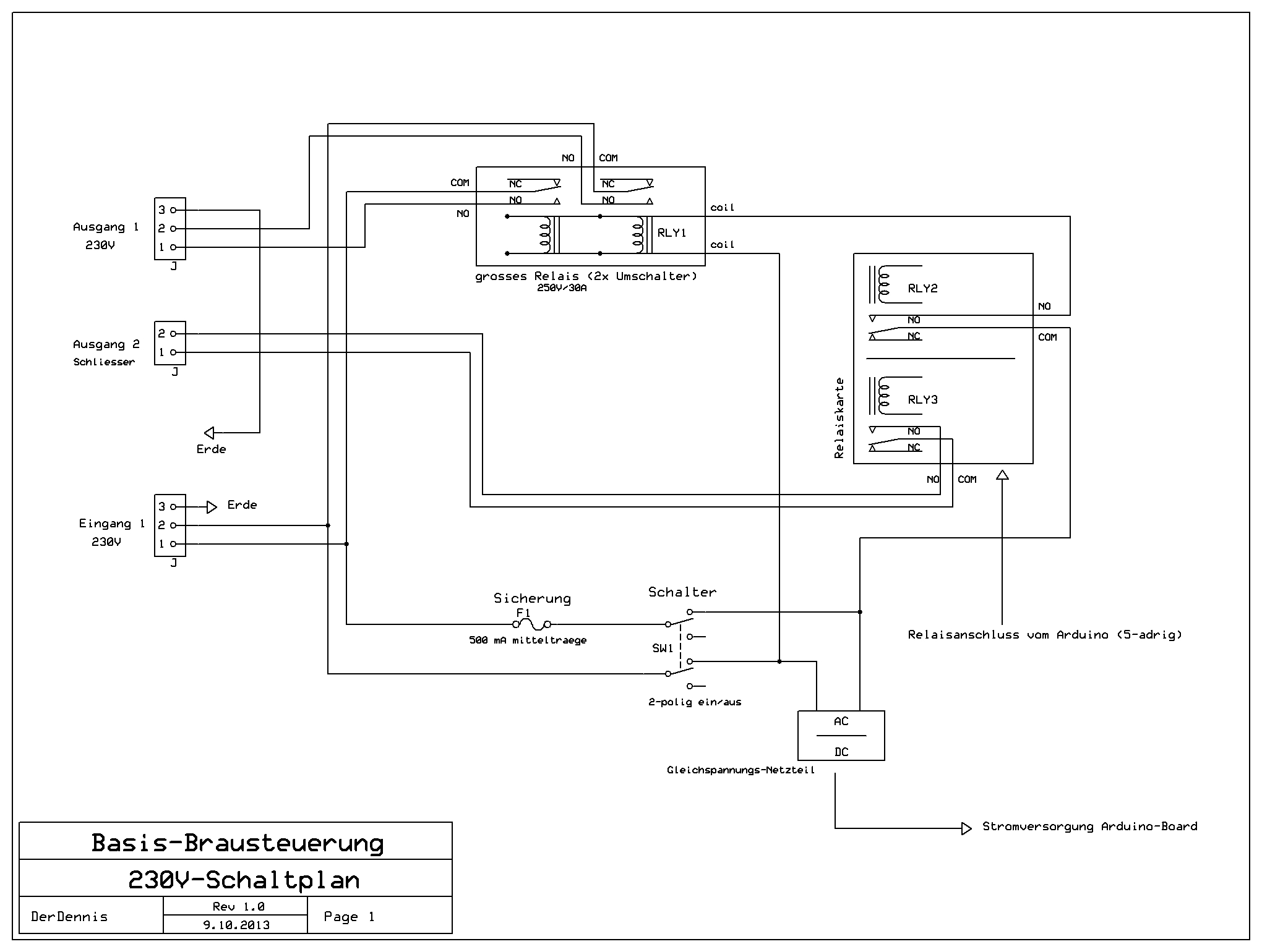
Das hier kennst du? Zusammen mit dem Aufdruck auf dem Relais sollte damit eigentlich alles klar sein,
brausteuerung_basic.jpg
edit, hier nochmal die Anschlüsse in "paint art":
steuerung mit hendi.JPG
edit2.
NO = normally open, im Ruhezustand geöffnet
NC = normally closed, im Ruhezustand geschlossen
COM = common contact, "das was geschaltet wird"
http://de.wikipedia.org/wiki/Relais#.C3 ... ltkontakte

Grüße
*"Männer-Malzbier": Magnum/Select/Tettnanger auf 26 IBU, WLP2308, ca 70-80 EBC, 6 % vol (Nachgärung)
Benutzeravatar
diapolo
Posting Freak
Posting Freak
Beiträge: 1560
Registriert: Montag 27. Januar 2014, 19:12
Wohnort: nähe Nürnberg
Kontaktdaten:

Re: All-in-One Arduino Brausteuerung

#34

Beitrag von diapolo »

Hi Dennis,
wenn ich die Grafik richig deute ist bei dem 5V Relais nicht die Mitte der COM sondern der "obere" Bei einem Schuko-Stecker empfiehlt sich immer L und N zu schalten, da sonst bei "verdrehten" Stecker der N geschalten wird und L1 immer an der Spule anliegt. Sollte so nicht gemacht werden

just my 2 cents :Drink

Mfg

Bernd
"Ich mag Bier, du magst Bier"
Quaterback 40 "Ich mag Bier"
http://www.raitersaicher.de
Benutzeravatar
DerDennis
Posting Freak
Posting Freak
Beiträge: 2510
Registriert: Dienstag 26. Februar 2013, 18:12
Kontaktdaten:

Re: All-in-One Arduino Brausteuerung

#35

Beitrag von DerDennis »

Prinzipiell hast du Recht, aber es ist nur der interne, der Schalt-Stromkreis, der einpolig geschaltet wird - alles was außen dran hängt (Hendi/Einkocher) wird zweipolig geschaltet. Und: was soll eigentlich daran schlimm sein, wenn an der einen Seite der Relais-Spule 230V~ "anliegt"? Es fliesst ja kein Strom, die andere Seite hängt in der Luft, und es ist ein Gehäuse drum herum (sowohl um das Relais als auch um die gesamte Elektrik), also...?

Bei den 5V-Relais, die hier vor mir liegen, ist jedenfalls COM der mittlere Anschluss... der schräge Balken in der Mitte klappt hin und her, die äußeren sind statisch.

Edit - und abgesehen davon ist eine Schaltung für Wechselstrom-Verbraucher mit Stecker sinnvollerweise immer so ausgelegt, dass man bedenkenlos N und L vertauschen darf. :P

Grüße
*"Männer-Malzbier": Magnum/Select/Tettnanger auf 26 IBU, WLP2308, ca 70-80 EBC, 6 % vol (Nachgärung)
Benutzeravatar
diapolo
Posting Freak
Posting Freak
Beiträge: 1560
Registriert: Montag 27. Januar 2014, 19:12
Wohnort: nähe Nürnberg
Kontaktdaten:

Re: All-in-One Arduino Brausteuerung

#36

Beitrag von diapolo »

Edit - und abgesehen davon ist eine Schaltung für Wechselstrom-Verbraucher mit Stecker sinnvollerweise immer so ausgelegt, dass man bedenkenlos N und L vertauschen darf. :P
...deswegen werden die Geräte 2 polig geschalten...

Es funktioniert sicher was du schreibst, aber gemäß Norm macht mal immer ne 2 polige Trennung...aber jeder wie er meint...es geht hierbei um den Personenschutz, da jetzt am offenen Ende beim "N" volle 230V anliegen

Wie gesagt jeder wie er meint ich halte mich an die Norm als Elektrotechniker.....

EDIT: wenn du das exakte Relais bei dir liegt und du das nachgemessen hast ist ja alles in Ordnung, das Schaltzeichen sieht halt anders aus....Fernostgeraffel halt :redhead

Mfg

Bernd
"Ich mag Bier, du magst Bier"
Quaterback 40 "Ich mag Bier"
http://www.raitersaicher.de
Benutzeravatar
DerDennis
Posting Freak
Posting Freak
Beiträge: 2510
Registriert: Dienstag 26. Februar 2013, 18:12
Kontaktdaten:

Re: All-in-One Arduino Brausteuerung

#37

Beitrag von DerDennis »

Ja, das Relais hier sieht so aus wie das auf dem Foto, habs gerade gemessen, Durchgangsprüfer sagt Mitte=COM.

Und wieso Personenschutz und "offenes Ende"?? Nochmal: das Relais, dessen Kontakte nach außen geführt werden, schaltet diese 2-polig.
Wie lautet denn die Norm, die mir vorschreibt, bei 230V immer den Stromfluss an 2 Stellen zu unterbrechen?

Kindergarten.
Zuletzt geändert von DerDennis am Montag 23. Februar 2015, 20:47, insgesamt 1-mal geändert.
*"Männer-Malzbier": Magnum/Select/Tettnanger auf 26 IBU, WLP2308, ca 70-80 EBC, 6 % vol (Nachgärung)
Benutzeravatar
Mastersergeant180
Posting Klettermax
Posting Klettermax
Beiträge: 229
Registriert: Sonntag 15. Februar 2015, 08:29
Wohnort: Alfalter Mittelfranken

Re: All-in-One Arduino Brausteuerung

#38

Beitrag von Mastersergeant180 »

Ich stimme da Bernd voll zu. Beide schalten oder dafür sorgen das IMMER der L geschalten wird. Sonst passiert dir sehr wohl was wenn du als Widerstand zwischen Erde und Phase dienst.

Das kann tödlich sein. Also bitte bitte macht das richtig oder bleibt bei euren gelernten Berufen. Holt euch nen bekannten der ausgebildet ist und weiß was er da tut. Die Anlag kann problemlos funktionieren aber im Fehlerfall eben nicht sicher für dich und dein Brauhelfer sein.
Wer seinen Kinderglauben sich bewahrt, in einer reinen, unbefleckten Brust - und gegen das Gelächter einer Welt zu leben wagt, - wie er als Kind geträumt - bis auf den letzten Tag: das ist ein Mann!" (Henning v. Tresckow)
Benutzeravatar
DerDennis
Posting Freak
Posting Freak
Beiträge: 2510
Registriert: Dienstag 26. Februar 2013, 18:12
Kontaktdaten:

Re: All-in-One Arduino Brausteuerung

#39

Beitrag von DerDennis »

Aaaargh, mensch, das ist im Gehäuse drin, wie soll man da dran kommen?

Das Relais, das nach draußen führt, ist 2polig... der Netzschalter auch.

Wenn jemand so blöd ist, ein geöffnetes 230V-Gerät angeschlossen und eingeschaltet von innen zu befummeln, sorry aber da kann man keine Schaltung gegen entwickeln.

Ich klink mich hier aus, reicht mal wieder für heute.


Grüße
*"Männer-Malzbier": Magnum/Select/Tettnanger auf 26 IBU, WLP2308, ca 70-80 EBC, 6 % vol (Nachgärung)
Benutzeravatar
Mastersergeant180
Posting Klettermax
Posting Klettermax
Beiträge: 229
Registriert: Sonntag 15. Februar 2015, 08:29
Wohnort: Alfalter Mittelfranken

Re: All-in-One Arduino Brausteuerung

#40

Beitrag von Mastersergeant180 »

Ein Gehäuse is da freilich drum aber beim brauen kommt wahrlich nicht gerade wenig Wasser zum Einsatz. Das ist doch nicht böse gemeint, sondern nur als Vorsichtsmaßnahme. Wenn du das alles aufs Schirm hast und weißt was du da tust is ja gut.

Sei doch froh das sich Leute Gedanken machen. Und by the way, es ist immer allpolig abzuschalten wenn nicht gewährleiste werden kann das die Phase zu jederzeit nur auf einer Leitung liegen kann. Das regelt glaub die DIN VDE 0100
Wer seinen Kinderglauben sich bewahrt, in einer reinen, unbefleckten Brust - und gegen das Gelächter einer Welt zu leben wagt, - wie er als Kind geträumt - bis auf den letzten Tag: das ist ein Mann!" (Henning v. Tresckow)
Benutzeravatar
diapolo
Posting Freak
Posting Freak
Beiträge: 1560
Registriert: Montag 27. Januar 2014, 19:12
Wohnort: nähe Nürnberg
Kontaktdaten:

Re: All-in-One Arduino Brausteuerung

#41

Beitrag von diapolo »

Hi Dennis,
das war kein Angriff gegen dich, ich wollte nur drauf hinweisen, dass die VDE 0100 das so vorgibt, ob dus machst oder nicht ist ganz alleine deine Verantwortung.
Ich wollte nur beraten und drauf hinweisen, dass es so nicht gemäß der Norm korrekt ist, mehr nicht. Ich muss mich dafür verantworten wenn jemanden durch so eine Fahrlässigkeit etwas passiert.
Es ist echt furtbar, dass man immer hier sofort als "Spielverderber" hingestellt wird nur weil man Tips zum richtigen Umgang mit der Elektrotechnik gibt.


Mach was ihr wollt, ich bin dafür nicht haftbar....

Mfg

Bernd
"Ich mag Bier, du magst Bier"
Quaterback 40 "Ich mag Bier"
http://www.raitersaicher.de
Benutzeravatar
DerDennis
Posting Freak
Posting Freak
Beiträge: 2510
Registriert: Dienstag 26. Februar 2013, 18:12
Kontaktdaten:

Re: All-in-One Arduino Brausteuerung

#42

Beitrag von DerDennis »

OK, dann schalt ruhig die Spule des dicken Relais zweipolig ein und aus. Und dann kommt Wasser ins Gehäuse. Ist es deswegen jetzt sicherer?
Nein, denn es liegen weiterhin im Gehäuseinneren 230V an, und zwar an der Zuleitung zu den Schaltkontakten des kleinen Relais, sowie an der AC-Seite des Niederspannungs-Netzteils (eigentlich am gesamten inneren Regelkreis). Du hast also nur das kurze Stück zwischen den beiden Relais vor einem Kurzschluss bewahrt, aber davor und dahinter brutzelt es jetzt trotzdem.

Wenn du gegen Wasser geschützt sein willst dann konstruier das Gehäuse entsprechend wasserfest, nicht das Innenleben!

Ich weiss nicht welche Erwartungen du an ein Elektrogerät hast; aber ich kann mich gut damit abfinden, dass im Gehäuseinneren 230V anliegen, sobald ich den Stecker des Gerätes in eine Steckdose stecke.

Hast du dir den Schaltplan überhaupt mal angeschaut? Der Netzschalter ist zweipolig ausgeführt, der innere Kreis (hinter dem Netzschalter!) ist nochmals abgesichert, der nach außen durchgeschleifte zweite Kreis ist über das fette Relais ebenfalls zweipolig geschaltet. Die Relaiskarte verwendet sogar nochmal Optokoppler auf der Spulen-Seite. Also sauber galvanisch vom Netz getrennte Bedienelemente, das Ganze als Einheit ist sehr wohl zweipolig ausschaltbar, und es schaltet daran angeschlossene Verbraucher selbst ebenfalls zweipolig ein/aus. Kunststoffgehäuse, wie erwähnt. Wo genau siehst du einen Verstoß gegen DIN VDE 0100?

Grüße
*"Männer-Malzbier": Magnum/Select/Tettnanger auf 26 IBU, WLP2308, ca 70-80 EBC, 6 % vol (Nachgärung)
Benutzeravatar
Mastersergeant180
Posting Klettermax
Posting Klettermax
Beiträge: 229
Registriert: Sonntag 15. Februar 2015, 08:29
Wohnort: Alfalter Mittelfranken

Re: All-in-One Arduino Brausteuerung

#43

Beitrag von Mastersergeant180 »

Auf deinen netten Bildern kann ich nicht erkennen wie du was gekoppelt hast bzw in welcher Art Gehäuse du was unterbringst. wenn du nicht in der Lage bist dir Ratschläge oder Vorschläge anderer anzuhören, auch wenn die im zweiten Moment dann evtl sich schon erledigt haben, solltest du auch nicht um Hilfe bitten. Dann kleb deine Kontakte mit Lötzinn und gut ist aber Frage nicht nach.
Wer seinen Kinderglauben sich bewahrt, in einer reinen, unbefleckten Brust - und gegen das Gelächter einer Welt zu leben wagt, - wie er als Kind geträumt - bis auf den letzten Tag: das ist ein Mann!" (Henning v. Tresckow)
Benutzeravatar
Darkangle
Posting Klettermax
Posting Klettermax
Beiträge: 149
Registriert: Sonntag 10. August 2014, 22:31
Wohnort: Wain

Re: All-in-One Arduino Brausteuerung

#44

Beitrag von Darkangle »

Man muss sich ja nicht gleich auseinander nehmen.

Allpoliges schalten bei ortsveränderliche Geräten kann nicht von der VDE xxxx gefordert sein, sonst wären alle von mir bis jetzt geöffneten Geräte nicht VDE konform und somit auch nicht im deutschen Handel.

Gruß René.
Beer you, Beer me, Beer us together.... ;-)
Benutzeravatar
Mastersergeant180
Posting Klettermax
Posting Klettermax
Beiträge: 229
Registriert: Sonntag 15. Februar 2015, 08:29
Wohnort: Alfalter Mittelfranken

Re: All-in-One Arduino Brausteuerung

#45

Beitrag von Mastersergeant180 »

Rene hier geht es nicht um ein Gerät sondern eine Anlage die hier zusammengeschraubt wird. Bei einem Gerät werde da oft mit Diogenes etc andere Wege gegangen. Bitte nicht das eine mit dem anderen verwechseln. Ein Gerät wurde geprüft im Normalfall und da schraubt keiner dran rum.
Wer seinen Kinderglauben sich bewahrt, in einer reinen, unbefleckten Brust - und gegen das Gelächter einer Welt zu leben wagt, - wie er als Kind geträumt - bis auf den letzten Tag: das ist ein Mann!" (Henning v. Tresckow)
Benutzeravatar
Ruthard
Posting Freak
Posting Freak
Beiträge: 7635
Registriert: Sonntag 26. Februar 2012, 21:07
Wohnort: 1443 Wine Country Drive 2335 Rothbury Australia
Kontaktdaten:

Re: All-in-One Arduino Brausteuerung

#46

Beitrag von Ruthard »

Die ganze Chausse ist in einem geschlossenen Gehäuse verbaut, wie es im Eröffnungspost abgebildet ist.
Es gab dazu bereits vier Threads mit über 1600 Beiträgen. Man muss das nicht noch mal von vorne anfangen.

Cheers, Ruthard
Wir könnten viel, wenn wir zusammenstünden (F.Schiller in Wilhelm Tell)
vitivory

Re: All-in-One Arduino Brausteuerung

#47

Beitrag von vitivory »

Hi Ruthard,

das ist das Problem, keiner will was suchen oder schauen. :Mad2
Benutzeravatar
Darkangle
Posting Klettermax
Posting Klettermax
Beiträge: 149
Registriert: Sonntag 10. August 2014, 22:31
Wohnort: Wain

Re: All-in-One Arduino Brausteuerung

#48

Beitrag von Darkangle »

Ist ein Stecker dran? Kann man es , auch im Betrieb bewegen? Ist ein Gehäuse drum? ...
Dann ist es ein Gerät. Auch wenn man Brauanlage dazu sagen möchte, so ist die Steuerung doch nur ein Gerät welches bei gewerblicher Nutzung BGV A3 , oder wie immer die Prüfung grad heißt, geprüft werden....
Beer you, Beer me, Beer us together.... ;-)
Benutzeravatar
Mastersergeant180
Posting Klettermax
Posting Klettermax
Beiträge: 229
Registriert: Sonntag 15. Februar 2015, 08:29
Wohnort: Alfalter Mittelfranken

Re: All-in-One Arduino Brausteuerung

#49

Beitrag von Mastersergeant180 »

Ein geschlossenes Gehäuse das aufgemacht wird um dann was anzulöten ist eine neue elektrische Anlage. Aber ich glaub diese Diskussion bringt nichts. Macht es wie ihr wollt und dann is gut. Wenn man die Gedanken anderer nicht akzeptieren will.

etz kommt noch einer mit BGV A3. Sind wir hier etz im gewerblichen Bereich????? Nein sind wir net.
Wer seinen Kinderglauben sich bewahrt, in einer reinen, unbefleckten Brust - und gegen das Gelächter einer Welt zu leben wagt, - wie er als Kind geträumt - bis auf den letzten Tag: das ist ein Mann!" (Henning v. Tresckow)
vitivory

Re: All-in-One Arduino Brausteuerung

#50

Beitrag von vitivory »

Bild
Bild

Die Verlängerung wird durchgetrennt, ein Teil aufgeschlitzt, mit den farbigen Litzen wird der Starkstrom Kreis verkabelt.

Ich würde das Kabelteil mit Stecker ca. 1m machen, das Kabelteil mit der Buchse ca. 0,5m lang

Der Kreislauf der Stromversorgung ist auf dem unteren Bild, es reicht eine Verkabelung mit 0,3-0,5mm

Wer kann ein Schaltplan davon machen, ich habe leider kein passendes Zeichnungsprogram mit passenden Bibliotheken, bitte meldet euch an PM
Dateianhänge
Das 1. Teil der Verdrahtung mit den Drähten der Verlängerung
Das 1. Teil der Verdrahtung mit den Drähten der Verlängerung
Starkstrom Kreislauf.JPG (122.55 KiB) 54480 mal betrachtet
Kreislauf.JPG
Kreislauf.JPG (129.19 KiB) 54474 mal betrachtet
Antworten